100句最伤感的爱情句子伤感的爱情句子

高清图片下载 免费 安全无风险
100句最伤感的爱情句子伤感的爱情句子

100句最伤感的爱情句子伤感的爱情句子

点击图片查看原图

图片信息

  • 格式: JPG
  • 尺寸: 920x1302
  • 大小: 约1.2MB

版权声明

相关标签

自然风光 高清壁纸 4K画质

分享图片

相关推荐

基于当前图片的相似推荐

关于爱情悲伤的句子

关于爱情伤感的句子,伤感短句.docx

名人伤感爱情语录.docx 7页

让人心碎的爱情伤感句子 .doc

伤感爱情句子:喜欢,是一种心情;爱,是一种感情 .doc

爱情伤心金典说说心情短语

有关爱情伤感的句子大全 .doc

有关爱情的句子伤感.docx 8页

随机推荐

发现更多精彩图片

彭于晏年轻人勇敢追梦风在前无惧

大家的反响也都不错,在龚俊出道短短几年的时间内收获了几千万粉丝,也

头像| 萌萌哒小悟空 - 知乎

乡愁:15种六七十年代农村老物件有些已经消失,有的70后都没见过

由美头网整理发布,男生头像频道提供更多与白头发,白发相关的头像图片

某室外园林圆形欧式喷泉水景cad施工图纸

只会画一张脸五官脸型画法教你画不同轮廓的人物脸型

浮城谜事永远不要企图用谎言掩盖真相

童真光之南风古灶写生课

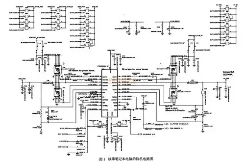
如图1所示为该故障笔记本电脑的待机电路图,根据电路图检测5v_s5,3d3v

2015-2016九年级历史上册 第11课 英国资产阶级革命课件 新人教版(共