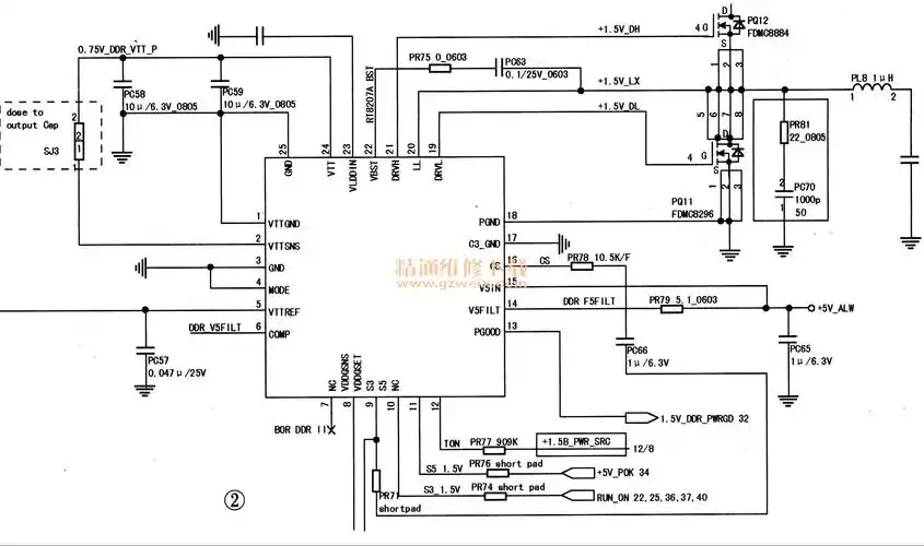
如图1所示为该故障笔记本电脑的待机电路图,根据电路图检测5v_s5,3d3v

高清图片下载 免费 安全无风险
如图1所示为该故障笔记本电脑的待机电路图,根据电路图检测5v_s5,3d3v

如图1所示为该故障笔记本电脑的待机电路图,根据电路图检测5v_s5,3d3v

点击图片查看原图

图片信息

  • 格式: JPG
  • 尺寸: 3077x2029
  • 大小: 约1.2MB

版权声明

相关标签

自然风光 高清壁纸 4K画质

分享图片

相关推荐

基于当前图片的相似推荐

笔记本电脑供电电路故障的诊断方法

电阻器损坏导致笔记本电脑不能正常开机启动

如图1所示为该故障笔记本电脑的待机电路图

戴尔n4010型笔记本不能开机

笔记本电脑供电电路故障的诊断方法

东芝l600笔记本突然掉电之后无法开机

笔记本电脑图纸主板原理图电路图戴尔惠普联想东芝宏基华硕索尼

苹果q41a笔记本电脑图纸.pdf

笔记本电脑供电电路故障的诊断方法

笔记本电脑供电电路故障的诊断方法 3

笔记本保护隔离电路的详细资料概述

dell dv14型笔记本,进水后不开机

随机推荐

发现更多精彩图片

靳东亲临高原,倾情演绎:心系藏区,温暖高原!|藏民|正_

来回顾一下于月仙年轻时的影视作品,大脚年轻时的颜值可以说倾国倾城

当初看不上,现在成颜粉,白敬亭理工男,看到他"太意外"

威尼斯城市风景,高清图片,电脑桌面-壁纸族

大度的女人名叫徐梵溪:无婚姻无孩子,男友花5亿娶李小冉无怨言

关于背包底滤溢流的问题

陶然亭公园慈悲庵_高清图片_全景视觉

见闻解脱解密咒轮法宝汇集 - 如意法藏流通处 - 66868288的博客

[分享]中国建筑四大类别:民居,庙宇,府邸,园林

超仙气女生动漫头像 拿扇子红衣古装仙气美女头像

jennie营业狂晒美照风格百变气质突出穿豹纹吊带裙大秀好身材

东海舰队吴淞训练基地(吴淞) 东海舰队上海吴淞水警区(吴淞) 海军