马头标志是什么车,马头汽车标志是什么车

高清图片下载 免费 安全无风险
马头标志是什么车,马头汽车标志是什么车

马头标志是什么车,马头汽车标志是什么车

点击图片查看原图

图片信息

  • 格式: JPG
  • 尺寸: 640x400
  • 大小: 约1.2MB

版权声明

相关标签

自然风光 高清壁纸 4K画质

分享图片

相关推荐

基于当前图片的相似推荐

马车图片_马车高清图片_全景视觉

蚌埠南瓜公主马车定做精美外观

农村马车,这辆真的很厉害

2021欢迎访问荆州观光马车价格实业集团

马自达atenza第一代运动版车头

原图欣赏-太平洋摄影部落

马车——小镇人的私家车.

出售纯白色欧式婚礼南瓜马车特色婚庆摄影皇家公主王子车户外观光

旧王宫前广场上的老式马车.游客可自费乘坐.

随机推荐

发现更多精彩图片

柒 伍六七伍六七柒刺客伍六七伍六七之最强理发师伍六柒不会被官方封

可爱 粉色 少女心 壁纸 背景

赖美云# 春日樱花抹胸裙,温柔又甜美!

为啥我的微信号别人搜不到!显示不存在?怎么回事

简约大气化妆品包装设计.‖今日灵感分享 via/design - 抖音

【大龙】邵氏电影,男子死后身穿红衣,化作《飞尸》寻找仇家复仇

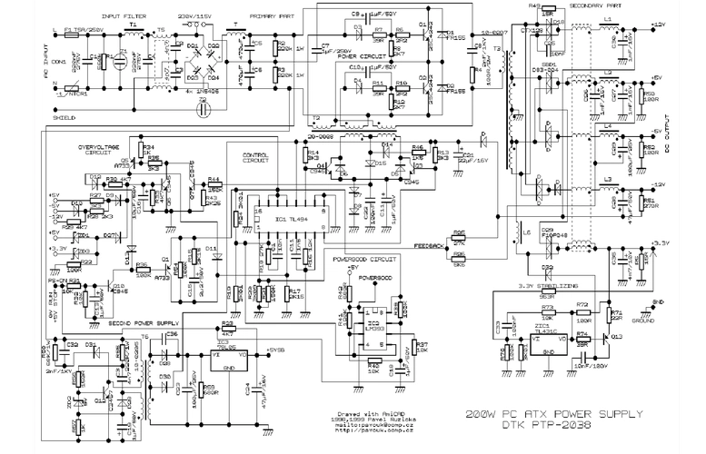
atx开关电源电路图115-230v1

兔子警长的车技和推理,你打几分?

迫击炮炮弹尾部加装的是什么东东