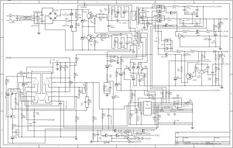
atx开关电源电路图115-230v1

高清图片下载 免费 安全无风险
atx开关电源电路图115-230v1

atx开关电源电路图115-230v1

点击图片查看原图

图片信息

  • 格式: JPG
  • 尺寸: 1786x1150
  • 大小: 约1.2MB

版权声明

相关标签

自然风光 高清壁纸 4K画质

分享图片

相关推荐

基于当前图片的相似推荐

求教电源芯片est7502c不上电

atx改造调压调流维修电源

你可能喜欢 工程电路 电脑开关电源电路图大全 pfc电路 atx电源原理与

台式电脑atx—电源管理芯片est7502c 功能介绍

长城atx-250s电源电路图335.jpg

几款atx电脑电源电路图

随机推荐

发现更多精彩图片

电视剧《琉璃》,柏麟帝君(刘学义饰)截图.

广州国标级别的室内游泳馆60

冥王星最新绝美照片 色彩丰富地形多样令人惊叹不已

带图 阴囊上长了个小疙瘩 暗红色 应该长在皮肤下面

手机可以直接把图片转成jpg,png格式.分享两个图片转换格 - 抖音

佟丽娅穿金色紧身低胸裙露肩秀胸很有精神,身材纤瘦的女星#娱乐最前沿

《怒火街头》港剧壁纸

温婉的白族姑娘也太美了吧大理白族写真

世界上最恐怖的花有哪些 尸臭花名副其实气味其臭无比

越狱小龟日常果冻越狱未遂哈哈哈

芷江明山次原始森林公园行.万物皆可有,唯有懂字最难求.我分享 - 抖音