两个小孩人物简笔画图片 5068儿童网放鞭炮的小孩简笔画人物 放鞭炮的

高清图片下载 免费 安全无风险
两个小孩人物简笔画图片 5068儿童网放鞭炮的小孩简笔画人物 放鞭炮的

两个小孩人物简笔画图片 5068儿童网放鞭炮的小孩简笔画人物 放鞭炮的

点击图片查看原图

图片信息

  • 格式: JPG
  • 尺寸: 500x268
  • 大小: 约1.2MB

版权声明

相关标签

自然风光 高清壁纸 4K画质

分享图片

相关推荐

基于当前图片的相似推荐

儿童简笔画人物小女孩全身多角度

玩耍的小孩儿童画怎么画玩耍的小孩简笔画顺序

简笔画19人物篇小男孩1

跑步的小孩人物简笔画步骤图片大全

小孩简笔画图片的小朋友赶快拿起笔来画一画哟标签:人物简笔画小男孩

儿童简笔画正面人物的画法

标签:矢量矢量简约人物学生儿童简约学生小孩可爱的小孩一群学生矢量

两个小孩人物简笔画小男孩简笔画小女孩简笔画

幼儿人物简笔画大全快乐的小孩幼儿简笔画教程1000种,老师家长收藏喽

随机推荐

发现更多精彩图片

从梦想出发,鹿晗的精彩旅程|乐器|exo|阳光男孩|综艺节目|重返20岁

英俊帅气的男星博尔吉特时尚显气质豪放霸气写真

妈妈夏装冰丝短袖t恤衫50岁中年女装针织上衣薄老年人夏季新款女

中国一共有多少神仙?都有谁?看看就知道啦

有一种心痛叫爱不能语

珍藏佛歌《南无阿弥陀佛》女声版,念佛心安,终成佛道,听者富贵

蒋蓉款紫砂茶具作品欣赏_工艺美术_壶盖_中国

常州星湖广场1231盛大开业

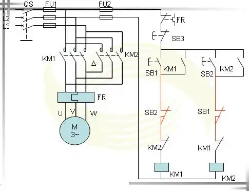
按钮互锁 接触器互锁的接法 最好有图 谢谢

手绘漫画风玄武图片

如何评价日本电影花束般的恋爱