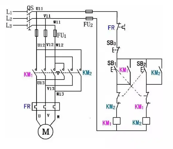
按钮互锁 接触器互锁的接法 最好有图 谢谢

高清图片下载 免费 安全无风险
按钮互锁 接触器互锁的接法 最好有图 谢谢

按钮互锁 接触器互锁的接法 最好有图 谢谢

点击图片查看原图

图片信息

  • 格式: JPG
  • 尺寸: 485x372
  • 大小: 约1.2MB

版权声明

相关标签

自然风光 高清壁纸 4K画质

分享图片

相关推荐

基于当前图片的相似推荐

展开全部 如图就这样,两个接触器做好互锁就好.

这就是我们今天要讲的新的控制电路——按钮,接触器双重联锁正反转

互锁,自锁,连锁接线图 - 抖音

电气互锁控制电路图

5,按钮互锁正反转控制电路工作原理._第6页_接线图分享

平头按钮开关在电路中可以利用它的常闭点来进行互锁,典型的有按钮

控制线路接线图正反转

三相交流电机正反转控制按钮怎么接的?

按钮互锁 正反转 电路 (点动)

用两组控制按钮控制一个接触器图

按钮接触器双重联锁正反转控制线路

随机推荐

发现更多精彩图片

肖战62动图 - 堆糖,美图壁纸兴趣社区

佟丽娅笑容迷人,穿背带裤开叉到胃,搭件玩具熊t恤有反差萌

王嘉尔帅气撩人写真桌面壁纸

仙剑三 龙葵 作者布言空 ,仙剑 - 堆糖,美图壁纸兴趣社区

汉元素改良版服装设计

为什么你的新年flag屡立屡败

小兵牧师恩典福音讲道#68.罪的问题已解. 来自渔歌悠唱 - 微博

揭秘古代江湖郎中的黑话春点及应用不懂江湖话举目无亲朋

结构施工图中构件代号有哪些

古诗打卡丨17次第75首山行

爆笑微信对话喝水的时候别看