boost升压电路

高清图片下载 免费 安全无风险
boost升压电路

boost升压电路

点击图片查看原图

图片信息

  • 格式: JPG
  • 尺寸: 584x318
  • 大小: 约1.2MB

版权声明

相关标签

自然风光 高清壁纸 4K画质

分享图片

相关推荐

基于当前图片的相似推荐

学习分享:dcdc转换的升压电路—boost # boost升压电路主要利用了

boost变换器bcm电流自恢复及数字预测纹波控制电路设计

一种光伏mppt的全电流段boost电路

学习笔记:简谈boost升压电路

一种输出电容串联的高增益boost变换器

一种boost电路及开关电源的制作方法

buck-boost voltage converter

boost变换器的主电路怎么画?

boost升压电路,要求输入5v,输出6v~12v,现设计电路图如下,但是经实验

几种boost升压电路图汇总

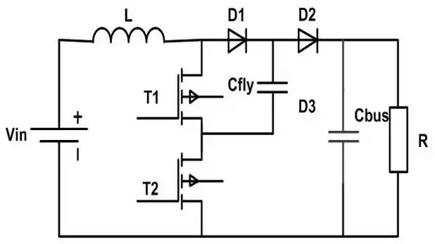
一种飞跨电容三电平boost电路

随机推荐

发现更多精彩图片

首页 桌面壁纸 唯美小清新风光高清桌面壁纸上一张下一张查看原图

有没有和钱有关的头像啊

2306 昆仑 黄金镶钻石金币怀表,机芯编号120945,表壳编号302668,年份

牛奶主题创意高清桌面壁纸图片

卡通朋友聚餐场景元素

河南开封清明上河园司南