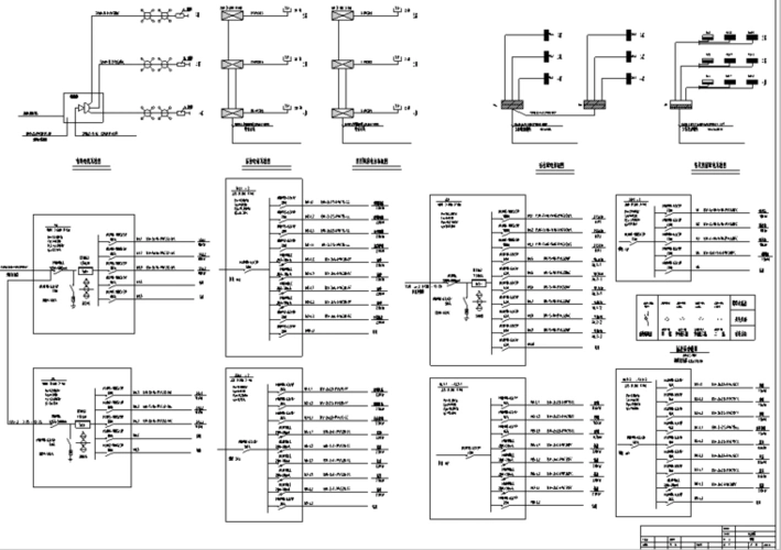
[分享]学生食堂建筑cad图纸资料下载

高清图片下载 免费 安全无风险
[分享]学生食堂建筑cad图纸资料下载

[分享]学生食堂建筑cad图纸资料下载

点击图片查看原图

图片信息

  • 格式: JPG
  • 尺寸: 560x300
  • 大小: 约1.2MB

版权声明

相关标签

自然风光 高清壁纸 4K画质

分享图片

相关推荐

基于当前图片的相似推荐

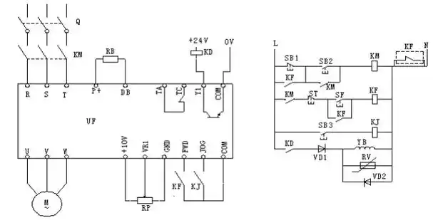
[分享]卫生间电路图cad资料下载

这23个经典电气工程cad图纸,让你新手变高手!

电气cad施工图设计全过程

分享丨各种经典电气工程cad图纸

怎样用cad绘制漂亮电气图?_绘图_下图_平台

[分享]户型图别墅cad资料下载

[分享]地铁换乘cad资料下载

[分享]别墅排水cad资料下载

用autocad绘制漂亮电气图的方法

[分享]cad电器施工图资料下载

图纸某地产业园光伏车棚电气cad施工图

全了室内cad电气设计教程含强弱电

随机推荐

发现更多精彩图片

本是中国人节目全程飙英语吴京霸气回怼不要跟我讲英文

刺客伍六七简笔画刺客伍六七简笔画暗影帅气

赵丽颖 #你和我的倾城时光# #赵丽颖林浅# cr.@酒窝暖

夏季饮品女孩喝珍珠奶茶立体感人物形象

假面骑士时王庆贺吧逢魔时王登场一周年庄吾迎来剧中生日

太空铝小户型阳台洗衣机手逗一体柜滚筒洗衣机伴侣洗手洗脸盆柜组合

肛瘘长肉芽是伤口快愈合了吗

中华田园猫纯白异瞳猫双蓝眼白猫幼猫小猫咪白色猫咪白猫幼崽猫粮

中秋佳节请问这是相思断肠红吗05

2021年学校暑假放假通知书doc

摸头发表情包 - 摸头发微信表情包 - 摸头发qq表情包 - 发表情 fa

不锈钢大锅哪家好想买不锈钢大锅上科龙厨房设备厂