无刷电机控制器电路图

发现 20+ 张关于 无刷电机控制器电路图 的高清图片素材

20+
相关素材
4K
高清画质
免费
商用授权
游客
永久下载

电动自行车无刷控制器电路原理分析

图片尺寸1582x1085

电动车无刷控制器基本原理 工程技术中心 控制器部分(mcu),驱动,电机

图片尺寸1080x810

zm6615直流无刷驱动器接三挡自锁开关控制正方转和启停串二极管的接线

图片尺寸1124x854

350w电动车无刷电机控制器电路

图片尺寸1672x1181

电动自行车辰洋无刷控制器电路原理图

图片尺寸1075x743

电动车无刷电机控制器

图片尺寸879x1003

arm lpc2101的无刷直流电机控制设计方案

图片尺寸660x361

48v无刷直流电机控制器电路图

图片尺寸853x893

电动车智能无刷控制器接线图

图片尺寸663x871

直流无刷电机的控制电路

图片尺寸2389x1094

连接在第一整流电路与电机驱动电路之间的储能元件,第一控制器,杯盖

图片尺寸2560x1951

基于atmega48的三相无刷电机控制方法

图片尺寸758x509

直流无刷电机该的控制方法

图片尺寸1080x630

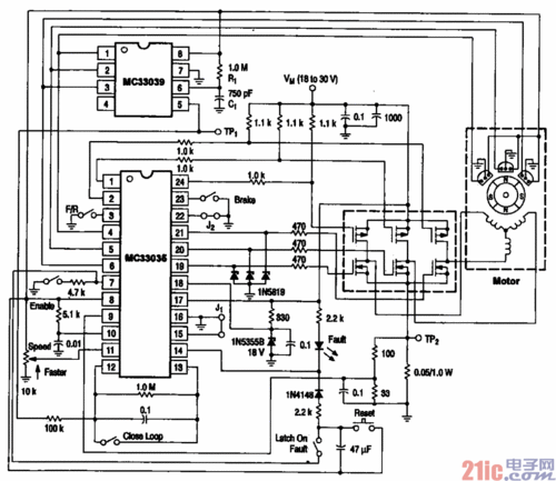
基于mc33039和mc33035的无刷直流电机驱动控制电路.

图片尺寸859x735

电动自动车天能无刷控制器电路图

图片尺寸1156x1659

无刷电机控制器原理图,无刷电机控制电路-图片大观-奇异网

图片尺寸1913x1224

60v350w6管电动车无刷双模控制器电路图原理补充

图片尺寸1050x1383

无刷电机控制——硬件部分调试记录_无刷电机 示波器 电压-csdn博客

图片尺寸640x796

无刷电机控制器电路图16f72电路图

图片尺寸3522x2490

该电路主要是由电动机驱动控制芯片mc33035和无刷电动机适配器mc33039

图片尺寸1182x1023

相关推荐

发现更多你可能感兴趣的图组