绿岛风卫生间排气扇集成吊顶管道式浴室换气扇铝扣板300排风扇bpt10

高清图片下载 免费 安全无风险
绿岛风卫生间排气扇集成吊顶管道式浴室换气扇铝扣板300排风扇bpt10

绿岛风卫生间排气扇集成吊顶管道式浴室换气扇铝扣板300排风扇bpt10

点击图片查看原图

图片信息

  • 格式: JPG
  • 尺寸: 719x360
  • 大小: 约1.2MB

版权声明

相关标签

自然风光 高清壁纸 4K画质

分享图片

相关推荐

基于当前图片的相似推荐

集成吊顶换气扇卫生间厕所排风扇

欧普 侍集成吊顶换气扇卫生间厕所排风扇30x30厨房风排气扇吸顶式大

雷士超强力排气扇卫生间静音换气扇集成吊顶排风扇管道换气扇

专业维修浴霸 暖风机 排风扇13591.专业维修:卫生间排 - 抖音

奥克斯家用排气扇厨房风机强力音静卫生间集成吊顶管道换气扇

排气扇德力西卫生间厨房排风扇静音集成吊顶强劲换气扇换气模块

集成吊顶换气扇厨房卫生间天花板排气扇吸顶式强力厕所排风扇开孔270x

力集成吊顶换气扇厨房卫生间天花排气扇吸顶式静音排风扇14寸面板尺寸

松日换气扇10寸卫生间吸顶厨房集成吊顶排风扇强力静音浴室排气扇

排气扇卫生间集成吊顶排气扇家用大排量换气扇厨房卫生间强力吸顶扇枫

集成吊顶换气扇厨房卫生间天花排气扇吸顶式强力静音排风扇8寸12b开孔

排气扇600x600集成吊顶铝扣板强力换气扇石膏卫生间60x60天花aux 铝

随机推荐

发现更多精彩图片

郑爽在水浒传中饰演扈三娘她貌美如花功夫了得

楼市资讯 #宅家追剧 #长沙牙齿矫正 #向全世界安利王一博 #阻生

【转载】酷暑极端高温下特好的保健饮品---加味酸梅汤

好兰朵 印花女士内裤 均码(xl)/红色

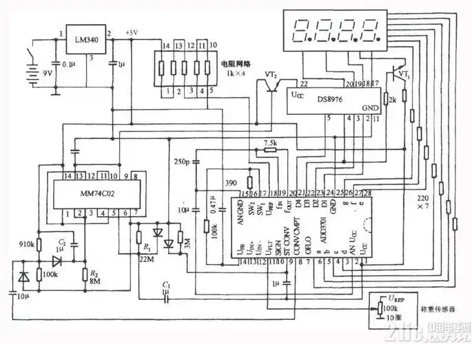
数字式电子秤电路图

《闪耀暖暖》大喵表情包分享

233乐园正版游戏下载_233乐园正版游戏免费下载v3.1.0.0-麦块安卓网

牛逼我用python实现哈哈镜捉弄女友女友气的拉黑了我

见心金星小叶紫檀12手持佛珠手串

大眼鱼/红鲷鱼(条/400g)