环境设计室外景观手绘原创广场快题

高清图片下载 免费 安全无风险
环境设计室外景观手绘原创广场快题

环境设计室外景观手绘原创广场快题

点击图片查看原图

图片信息

  • 格式: JPG
  • 尺寸: 5214x3624
  • 大小: 约1.2MB

版权声明

相关标签

自然风光 高清壁纸 4K画质

分享图片

相关推荐

基于当前图片的相似推荐

我们一起来设计广场的平面图吧!你会怎样设计呢?

入口广场设计平面图

景观讲堂03快题解析滨水绿地城市广场

大二园林广场平面图a1

成都天府广场手绘平面图

校园休闲广场平面图.jpg

快题设计 #广场设计 #景观手绘平面图 #景观考研 #景观设计

9915719915719915719915#景观设计 #景观手绘

【优选快题】第02期丨环艺广场绿地小公园设计手绘快题—晒晒旧图

环境设计室外景观手绘原创广场快题

随机推荐

发现更多精彩图片

摸头听话乖二次元gif动图_动态图_表情包下载_soogif

女孩无奈叹气摊手表情包

2岁女儿患上蛲虫病得知原因后宝妈直接气得带孩子回娘家

整店定制珠宝展柜台不锈钢玻璃珠宝柜 圆形中岛柜 黄金饰品展示柜

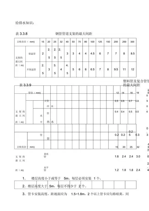
给排水立管水平管支架距离

西双版纳傣族自治州

不一样的手雷一样的经典百达翡丽机械男表 @里这看表810485408

蒂芙尼bow系列18k金大号蝴蝶结项链

蘑菇头打麻将 - 蘑菇头装逼动图第七弹