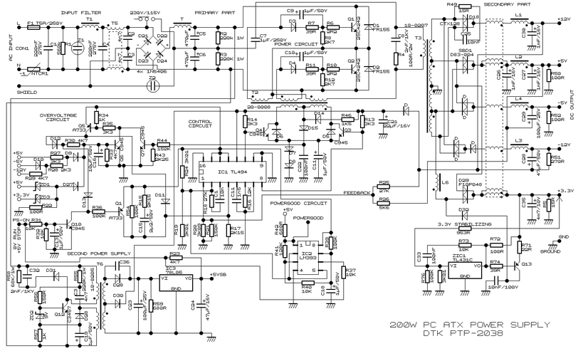
家用开关电源电路图分析

高清图片下载 免费 安全无风险
家用开关电源电路图分析

家用开关电源电路图分析

点击图片查看原图

图片信息

  • 格式: JPG
  • 尺寸: 682x368
  • 大小: 约1.2MB

版权声明

相关标签

自然风光 高清壁纸 4K画质

分享图片

相关推荐

基于当前图片的相似推荐

音响电源板奇怪问题求教

芯片) /共2页 第1页 第1页 (共2页,当前第1页) 你可能喜欢 电源芯片

开关电源电路图讲解

ldo和开关电源在实际电路中的使用

top224p构成的12v,20w开关直流稳压电源电路

苹果开关电源充电器电路图

台式计算机开关电源原理图开关电源电路原理附原理图

开关电源电路原理图开关电源的常见故障分析及维修 由于开关电源的

开关电源电路图汇总四种常见电路图介绍

彩电开关电源电路集合

随机推荐

发现更多精彩图片

拉萨痣医院_拉萨治疗痣哪家医院好_拉萨治疗痣权威的医院/排行_有来

街舞3王一博水舞台太炸了看点大招不断上演湿身诱惑

高清帅气侧脸男生头像真人图片

简短的生日说说(简短的生日说说 致自己往后余生)

教你几招,轻松辨别犀角制品真伪,以后不会再上当受骗了

宠姿猫羽雫海报 猫娘二次元动漫海报墙贴宿舍卧室高清壁纸超大防水自

中国歌手贝拉的个人资料 贝拉bella资料 - 歌词译

婚纱店工作室装修效果图 100平婚纱店装修样板间图片 地中海风格_大鱼

四氟化碳气体分子图标

适用于biostar/映泰b250 btc ddr4 1151主板 9100f 9400f有套装t

肃亲王府日本使馆市政府旧址的前世今生

如何吃懂一块高级牛排?