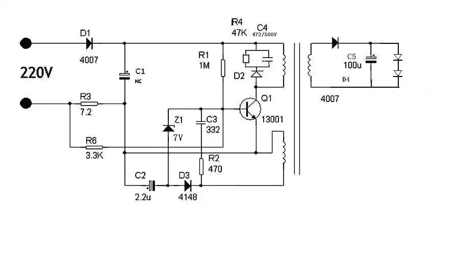
6w的led照明灯驱动电路

高清图片下载 免费 安全无风险
6w的led照明灯驱动电路

6w的led照明灯驱动电路

点击图片查看原图

图片信息

  • 格式: JPG
  • 尺寸: 1767x653
  • 大小: 约1.2MB

版权声明

相关标签

自然风光 高清壁纸 4K画质

分享图片

相关推荐

基于当前图片的相似推荐

led照明灯阻容降压驱动电路原理图

可同时调节led灯亮度与颜色的开机防闪电路及其方法

简单led灯电路图原理图(介绍两款常用的led灯电路工作原理)

找一份led灯电源电路图

htm一,先从一个完整的led驱动电路原理图讲起.

求一个简易的自制led小夜灯驱动电路,电路图,元件参数.谢谢.

这个流水灯的原理:是不是因为电压不够 三个三极管其实是先断开的 等

led灯驱动电源电路图-详解led驱动电路设计方案原理图详解-kia mos管

这是一款简单的3只led循环灯电路,可以模拟流动彩灯,闪烁起来更具有

led日光灯管电路原理图(串联型)

随机推荐

发现更多精彩图片

刘进武:唐三彩皇宫御用器实用器龙凤灯台微观痕迹鉴定凭证

一组日式风格logo设计分享

何洛洛 - 堆糖,美图壁纸兴趣社区

肖战##tods全球品牌代言人肖战

华西附二院门口拟新建地下人行通道

脸上有痘印怎么办 如图

一看就能让你爱上的真正原木木别墅,这4款木屋别墅方案值得你看

天津地铁11号线一期工程延伸新旧一中心医院(一)

8米全身大型维纳斯石膏像 素描教具断臂女神雕塑雕像摆件

群星幼儿园"感恩相遇 让梦想飞扬"毕业典礼

石燧石燧石取火打火石原始生火石头火镰子专用原石户外bushcraft野外