爱吐舌头的小姑娘[挤眼]#性感美女

高清图片下载 免费 安全无风险
爱吐舌头的小姑娘[挤眼]#性感美女

爱吐舌头的小姑娘[挤眼]#性感美女

点击图片查看原图

图片信息

  • 格式: JPG
  • 尺寸: 1024x1280
  • 大小: 约1.2MB

版权声明

相关标签

自然风光 高清壁纸 4K画质

分享图片

相关推荐

基于当前图片的相似推荐

女孩搞笑展示舌头头像高清图片全景视觉

吐舌头是自我物化吗,可是我真的觉得很可爱很性感诶,并不打算和 - 抖

如何看待拍照喜欢伸舌头的女生?

杨丞琳吐舌头,展现俏皮的一面.

一个十岁女孩吐舌头的肖像,欧洲人的外表,特写

听说女生吐舌头就是为了掩盖害羞的情绪,真的是这样吗

女生吐舌头到底有多性感?

白脸吐舌头的女孩吐舌笑脸字符吐舌的快乐青蛙集集合非洲裔美国商界女

这位女星吐出舌头时非常可爱.

路人甲女生吐舌头是一种不雅的行为

想球球这种吐舌的头像

随机推荐

发现更多精彩图片

兰博基尼 lp610 4蓝色超级跑车 壁纸壁纸

清晨问候早上好表情包可爱 各种早安表情动态图片 可爱宝宝图片问候

辣鸡公仔可爱小鸡毛绒玩具菜鸡玩偶抱枕女生睡觉床上靠垫背布娃娃

本田crv多少钱 外观图片及口碑 时机最佳年底涨价 售全国

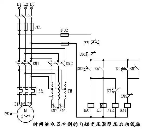
自藕变压器降压启动线路工作原理