任新民辞世:最后一位"航天四老"这一辈子

高清图片下载 免费 安全无风险
任新民辞世:最后一位"航天四老"这一辈子

任新民辞世:最后一位"航天四老"这一辈子

点击图片查看原图

图片信息

  • 格式: JPG
  • 尺寸: 592x486
  • 大小: 约1.2MB

版权声明

相关标签

自然风光 高清壁纸 4K画质

分享图片

相关推荐

基于当前图片的相似推荐

任新民先生坚韧不屈的开拓精神以及对科学技术的执著追求,推动了 - 抖

任新民:我见证了祖国航天事业的波澜壮阔(图)

航天巨擘任新民院士|图片来源 @中国运载火箭技术研究院

"两弹一星"功勋任新民逝世:曾领导中国第一颗人造卫星发射

任新民辞世:最后一位"航天四老"这一辈子

"两弹一星"元勋的小时候:任新民,科技人物,宝鸡市科学技术协会-宝鸡市

任新民(102岁)任新民(1915年12月05日-2017年2月12日),男,祖籍盛康镇

任新民人称中国航天总总师

最后的中国航天四老走了 两弹一星元勋任新民逝世 享年102岁

【航天梦·航天颂】任新民的故事

任新民在酒泉卫星发射中心

随机推荐

发现更多精彩图片

如下图:1,确认冰箱是否为机械温控带低温补偿开关的冰箱二,故障操作

萧亚轩任性,爱自由,你说她鼻子 " 有整过 ",她第二天就录个视频

干货|墙面的创意设计方式,让幼儿园的每一面墙壁都会说话

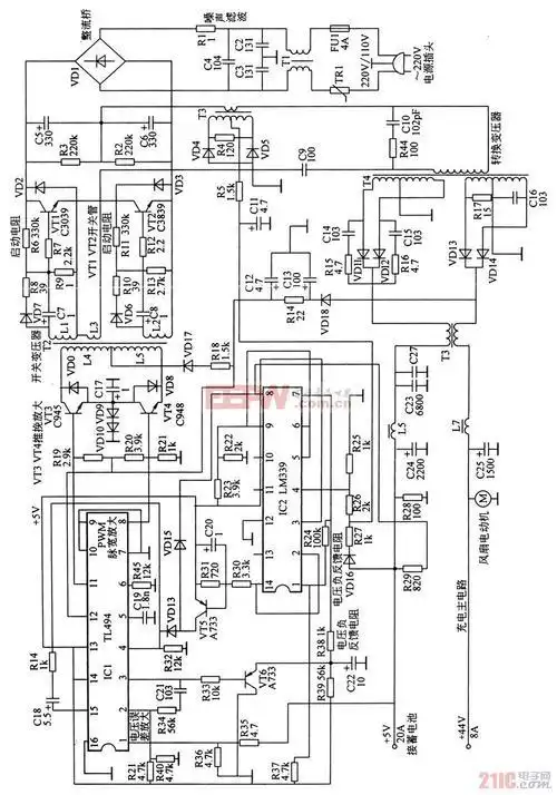
电瓶电焊机电路图,逆变式电焊机电路图,zx7-315逆变式电焊机电路图_点

鹿晗reloaded演唱会lost stars北京&广州

中国led芯片行业市场供需态势及投资前景预测分析

喜剧之王许冠英凭借僵尸先生成名因丑终生未娶

美国车牌washingtonwa华盛顿州bpz1767国外国牌照牧马人复古道具

15-30cm造型景观松热卖抗寒抗冻景观松树易管理低价批发景观松树

2018年奥迪a4l 30周年45 tfsi quattro个性运动版,2.