(升级西装面料 腰带款)百褶裙半身裙女春夏新款显瘦裙子中长裙 - 17网

高清图片下载 免费 安全无风险
(升级西装面料 腰带款)百褶裙半身裙女春夏新款显瘦裙子中长裙 - 17网

(升级西装面料 腰带款)百褶裙半身裙女春夏新款显瘦裙子中长裙 - 17网

点击图片查看原图

图片信息

  • 格式: JPG
  • 尺寸: 750x1137
  • 大小: 约1.2MB

版权声明

相关标签

自然风光 高清壁纸 4K画质

分享图片

相关推荐

基于当前图片的相似推荐

百褶裙ins学院风2022新款潮大码a字高腰显瘦春夏防走光短裙半身裙

【甄选百褶裙】春夏款蕾丝边短裙防走光百褶裙蓬蓬裙半身裙高腰小黑裙

啄木鸟纯棉百褶裙短裙女夏季高腰显瘦学生运动裙裤a字小众防走光半身

高腰收腹垂感百褶裙女夏季日系短裙2022新款学院风性感a字半身裙

黑色百褶裙秋冬2021新款高腰显瘦字裙冬季百搭半身裙

白色百褶裙女夏季短裙日系高腰秋冬新款中长款黑色大码a字半身裙

pass百褶裙女高腰a字裙松紧腰显瘦胖mm学院风半身裙防走光学院风

百褶裙短裙女学生韩版新款松紧字裙秋冬季大码学院半身裙

格子百褶裙短裙四季新款裙子女学生韩版显高腰字裙半身裙

黑色百褶裙半身裙秋冬季女短裙2022年新款时尚百搭显瘦高腰a字裙朔玉

半身裙女秋冬新款韩版高腰显瘦百褶裙学生中长款纯色a字裙大摆裙

灰色短裙女半身裙2020夏季新款学生高腰显瘦学院风纯色百褶裙

随机推荐

发现更多精彩图片

至于abcd是罩杯大小 | 发布于2015-07-04 15:54 评论 0 0 38是指你的

夏季必备发型,港风三七适合16-37岁潮男必备发型建议收藏起来

我的世界更新怪物投票可爱轻灵获胜

终极笔记,小哥张起灵,肖宇梁.

椭圆形简笔画法 简笔画图片大全-蒲城教育文学网

国粹不能少,全球十大佳片之首,截胡张艺谋_久石让_配乐_子弹

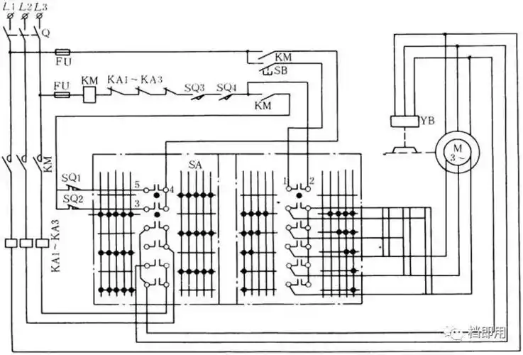
3主令控制器工作原理1,主令控制器的结构图中1与7为固定于方轴上的

游戏中的百宝箱图片免费下载-游戏中的百宝箱素材-游戏中的百宝箱png

新鲜黄金柏20g/盒 酒店西餐日料烘焙花草摆盘装饰点缀 顺丰包邮

春暖罂粟花开季 禁种铲毒勿违法