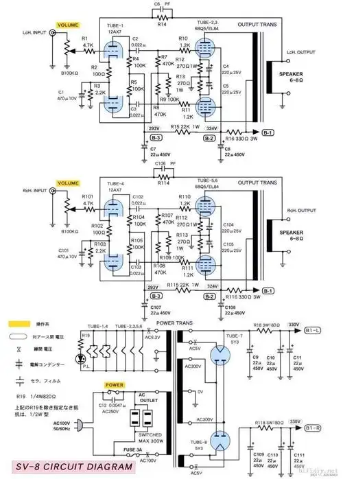
ef86 ecc83 el84推挽电路

高清图片下载 免费 安全无风险
ef86 ecc83 el84推挽电路

ef86 ecc83 el84推挽电路

点击图片查看原图

图片信息

  • 格式: JPG
  • 尺寸: 800x513
  • 大小: 约1.2MB

版权声明

相关标签

自然风光 高清壁纸 4K画质

分享图片

相关推荐

基于当前图片的相似推荐

用运放作倒相的el84的推挽立体声功率放大器设计资料说明-电子电路图

线路图集求份12ax7el84推挽好图

线路图集求份12ax7el84推挽好图

el84_pp_12ax7_dyna_variation.jpg

一台el84的一点儿噪声

菜鸟对j版的6p14推挽电路n多不解请大侠指点

el84单端二房电路图 _ 电子产品开发 _ ca001音响第一网 _ 最集中的

著名国外胆机telefunken el84功放电路鉴析

求一张6n2 6p14推挽图纸

随机推荐

发现更多精彩图片

白腹巨鼠又被称为山老鼠,主要分布在中国,它是一种体型比较大的老鼠.

历史上的"四大丑女"都是谁,她们的结局比四大美女幸福多了

植物大战僵尸怎么画简笔画最新植物绘画

古代人物简笔画女子背影,古代人物简笔画背影,古代人物简笔画q版可爱

卓尔不群:蔡少芬_香港_满分_侵权

梵克公牛2019年秋季装新款立领休闲男士修身多粒扣便服单西时尚商务

科学幻想画小科学大实验,多彩纸艺,硬笔书法等社团作品的展板,一件件

方太蒸烤箱一体机嵌入式蒸箱烤箱家用多功能大容量智能蒸烤一体机蒸烤

巴西利亚和里约热内卢气温变化和降水季节分配

新疆喀什 ~充满浓郁民族风情的美丽城市

长毛金丝熊真的好萌啊啊啊

2022年瓷砖选购指南,先了解瓷砖再选择品牌,这样才不会出错