通过harmonyos智能座舱,aito问界m5可与其他智能终端无缝流转,完全

高清图片下载 免费 安全无风险
通过harmonyos智能座舱,aito问界m5可与其他智能终端无缝流转,完全

通过harmonyos智能座舱,aito问界m5可与其他智能终端无缝流转,完全

点击图片查看原图

图片信息

  • 格式: JPG
  • 尺寸: 6101x4165
  • 大小: 约1.2MB

版权声明

相关标签

自然风光 高清壁纸 4K画质

分享图片

相关推荐

基于当前图片的相似推荐

在以前看来,这样的座舱设计仅仅只能在车展上看个爽,要想实现遥不可及

专属的第三空间,解析捷途x90子龙智能座舱-新浪汽车

领克18期种草计划!#领克汽车 #领克智能座舱【智能座舱】0 - 抖音

新玩法新花样 体验福特智能数字座舱-新浪汽车

汽车智能座舱系统设计需要考虑什么,汽车智能座舱的发展前景

极简风vs人情味特斯拉和天际汽车智能座舱谁更香

智能座舱下,汽车储物空间如何设计?

长城汽车智能座舱可生长,高通8155芯片的作用很关键

智能座舱,氢燃料电池汽车,石墨烯电池.

用消费级体验赋能汽车级品质的智能座舱

专访| 未来座舱的智能之道_搜狐汽车_搜狐网

东箭科技智能座舱构建智能汽车行业全新生态系统

随机推荐

发现更多精彩图片

嘻哈摇滚人民摄影壁纸

这些都是赵丽颖主演的电视剧呀

认识图形颜色的同时找不同.#幼教资源共享 #幼师必备 #幼儿 - 抖音

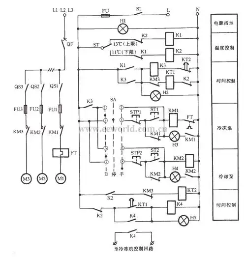
冷冻机与冷却泵联锁控制电路

第五人格空军寒香舞

为什么"病夫"契尔年科会上台,无他,只因为他是"自己人"!

第一套人民币壹元:工人和农民.特征说明:1.无水印.2.无底 - 抖音

海面平静的地平线,海洋和蓝天背景

惊呆,上海工地盒饭四荤三素12元还送瓶水!魔都这么内卷吗?

绝地求生刺激战场日服宣布联动凉宫春日