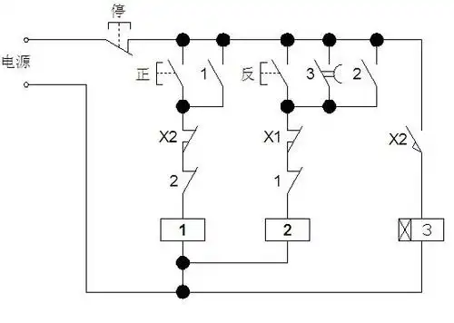
埋弧焊机接线图

高清图片下载 免费 安全无风险
埋弧焊机接线图

埋弧焊机接线图

点击图片查看原图

图片信息

  • 格式: JPG
  • 尺寸: 500x382
  • 大小: 约1.2MB

版权声明

相关标签

自然风光 高清壁纸 4K画质

分享图片

相关推荐

基于当前图片的相似推荐

通用otc500s焊机控制线与送丝机的线怎么匹配?都乱套了,我头都大了!

奥太电焊机送丝机控制电路原理图和电路分析资料免费下载

定制瑞凌二保焊机送丝机双驱送丝机350/500气保焊二保焊机佳士/奥太

焊接机器人控制送丝机退丝的电气控制系统的制作方法

一款气保焊机nbc控制板接口及外围电路解析

米勒mig焊机送丝机控制板原理图

奥太 kr nbc 24v/18.3v 气保焊机 送丝机 单驱送丝机 送丝机配件

krⅡ350 _ 外部环境 六芯电缆 气管 负 极 电 缆 正 极 电 缆 送丝

随机推荐

发现更多精彩图片

张翰眼睛杀 你的文艺男友已上线第3张图

头像 壁纸 萌宠 猫咪 黑白【你是此生最美的风景】【搜图不易by:抹茶

2017年极品江西五十铃的士头已到公司!粤a私人一手车!全车 - 抖音

迷你型红外测温仪test-280|国产迷你型红外测温仪test-280-红外线测温

展商快讯 | 深圳叁星飞荣——立式砂磨机设备专家

原创几万块钱就能圆梦敞篷车,五菱宏光mini敞篷版明年有望量产

精灵宝可梦:究极绿宝石怎么超进化 精灵宝可梦:究极绿宝石超进化方法

雨天logo图形设计模板

拿着雨伞的小女孩202203080小女孩简笔画人物简笔画穿裙子的小女孩伞