首页 动物与鸟 猫咪 可爱的小猫猫 壁纸 / 1920x1080 壁纸下载 壁纸

高清图片下载 免费 安全无风险
首页 动物与鸟 猫咪 可爱的小猫猫 壁纸 / 1920x1080 壁纸下载 壁纸

首页 动物与鸟 猫咪 可爱的小猫猫 壁纸 / 1920x1080 壁纸下载 壁纸

点击图片查看原图

图片信息

  • 格式: JPG
  • 尺寸: 1920x1080
  • 大小: 约1.2MB

版权声明

相关标签

自然风光 高清壁纸 4K画质

分享图片

相关推荐

基于当前图片的相似推荐

可爱的猫咪摄影图片高清宽屏桌面壁纸高清大图预览1920x1080_动物壁纸

下载壁纸(1920x1080)发布者:a平行宇宙 [声明] 墨鱼部落格所有资源为

壁纸 可爱的小猫,猫,脸,眼睛,耳朵,毛巾 1920x1200 hd 高清壁纸, 图片

可爱的小猫壁纸你有没有心动呢

特写可爱的小猫,猫的胡须,眼睛,面部表情 壁纸 - 1280x1024

可爱的搞笑喵星人小猫图片桌面壁纸 第二辑

可爱 小动物 小猫 喵星人 可爱动物 1080x1920

呆萌宠物猫咪犀利眼神搞笑可爱表情桌面壁纸(二)高清大图预览1920x

软萌可爱的小猫咪图片电脑壁纸高清大图预览1920x1200_动物壁纸下载

可爱的宠物,苏格兰折耳猫 高清壁纸27 - 1600x1200

可爱萌宠苏格兰折耳猫桌面壁纸高清

可爱的小猫-猫咪摄影壁纸

随机推荐

发现更多精彩图片

窗帘罗马杆上的挂钩环包邮小圆圈吊环扣配件窗年滑动布带窗帘扣环

王一博moncler全球代言人

五月天《突然好想你》吉他谱_c调超原版_吉他演示视频

为什么男人到了中年容易有大肚腩教你4招或能减掉肚子赘肉

伽利略科学家海报 galileo 意大利物理学家 天文学家肖像画复古

盖亚丸山浩盖亚奥特曼设计原稿百度网盘下载

生活中我们都是《局中人》,局外随入局,局中欲出局,今天吴队长的命运

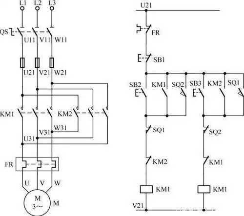
图2-13 自动往复循环控制电路

保时捷718涂装设计——"虎纠"|平面|图案|zsjack - 原创作品 - 站酷

yoyoso韩尚优品董事长马欢荣获"年度品牌创新人物奖"