csgo:曾今的中国天才茄子,和弟弟的csgo梦想!_tyloo_战队_职业

高清图片下载 免费 安全无风险
csgo:曾今的中国天才茄子,和弟弟的csgo梦想!_tyloo_战队_职业

csgo:曾今的中国天才茄子,和弟弟的csgo梦想!_tyloo_战队_职业

点击图片查看原图

图片信息

  • 格式: JPG
  • 尺寸: 640x400
  • 大小: 约1.2MB

版权声明

相关标签

自然风光 高清壁纸 4K画质

分享图片

相关推荐

基于当前图片的相似推荐

虎牙从属战队tyloo出征pcpi!强势阵容冠军势在必得

csgo周边签名金贴金属贴纸游戏实体实物s1mple签名navi战队tyloo手机

csgo国服的动态-哔哩哔哩

米奇giaogiao屋头像搞笑个性搞笑男头像吧tyloo头像搞笑搞笑微信头像

pero和ctg挺进前三,mng则跌到了第4名,后续几支队伍依序为nh,tyloo

6年前被全网喷开挂的天才少年终于扛着cncs证明了自己一周精选

【桶说瓦赛】荣了!天禄的禄是回家的路!

动漫 卡通 漫画 头像 游戏截图 960_540

动漫 卡通 漫画 头像 960_540

csgo茄子:十年职业无人问,一朝白给天下知|csgo茄子|tyloo战队|茄子

6年前被全网喷开挂的天才少年终于扛着cncs证明了自己一周精选

pubg天命杯参赛名单出炉zk确认回归pigff买下外卡赛区战队

随机推荐

发现更多精彩图片

遭遇各种不幸(俗称天煞孤星),他们自己每天还要面对心中的恶魔的困扰

金星秀开播了吗_九秀直播手机怎么开播_中国达人秀2020年几月开播

橙色搭配什么颜色好看(定制橙色衣服怎么做好看)-造名服

谁能帮我弄个大萍字的图片

喜欢你没有理由婚纱情头

给家人说想成为rapstar?辍学玩说唱的人真的很牛逼吗? | 第2张

指十岁漫画卡通人物简笔画

腹部一定要瘦,脂肪堆积是万病之源

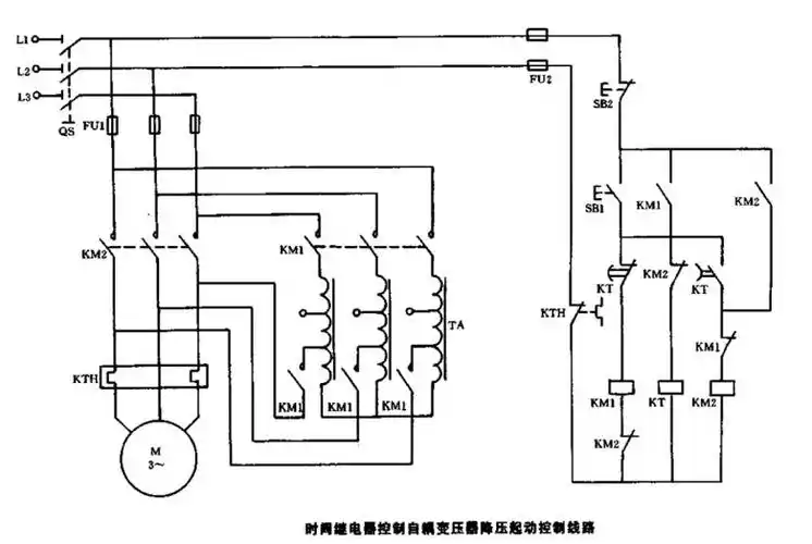
求自耦降压启动电路图