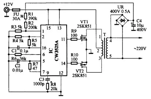
将48v12v转换器改为充电器

高清图片下载 免费 安全无风险
将48v12v转换器改为充电器

将48v12v转换器改为充电器

点击图片查看原图

图片信息

  • 格式: JPG
  • 尺寸: 2208x1231
  • 大小: 约1.2MB

版权声明

相关标签

自然风光 高清壁纸 4K画质

分享图片

相关推荐

基于当前图片的相似推荐

48v输入12v输出的直流降压电路

48v转12v电源芯片,48v转15v电源芯片电路图

电动车转换器电瓶车降压器36v48v60v72v伏转12v电压变压器转换器

12v升48v升压器电路图

dcdc24v36v48v60v72v100v转12v通用电动车转换器

48v充电器改12v最简单(三种48v充电器改12v图解)

惠海h5228降压升压升降压芯片支持12v24v36v48v60转5v12v24v万分之一

电动车直流转换器 dc36v48v60v72v96v120转12v10a20a电瓶车转换器

禾尾车用智能12v48v60v72v转220v2000w800w家用5000w大功率逆变器

随机推荐

发现更多精彩图片

阴阳师全新联动角色初音未来获取攻略

教你简单几步画一颗五角星

刘涛条纹衫和牛仔长裙明快清亮,休闲小白鞋活力舒适,随性休闲风的秋季

优雅舞蹈文化海报psd分层素材

髌骨骨折术后第25天,伤口暴露以后加了针灸,推了疤痕_医生_膝盖_康复

动漫人物小猫怎么画简笔画

diy棉布零布头手工制作辅料田园花母鸡图纸一份成品20厘米左右

动漫斗破苍穹国漫女神

「双十一宠粉·限量抢购」长泰半月山温泉酒店特惠来袭!

胡桃木 pvc色卡,硬包软包皮纹,木纹

新姿势解锁(弱胜番外)