1972年农历阳历表 1972年农历表 1972年日历表 - 日历网

高清图片下载 免费 安全无风险
1972年农历阳历表 1972年农历表 1972年日历表 - 日历网

1972年农历阳历表 1972年农历表 1972年日历表 - 日历网

点击图片查看原图

图片信息

  • 格式: JPG
  • 尺寸: 650x474
  • 大小: 约1.2MB

版权声明

相关标签

自然风光 高清壁纸 4K画质

分享图片

相关推荐

基于当前图片的相似推荐

1970年革命圣地《井冈山》年历片

1972年年历画英姿飒爽单页襄阳地区新华书店发行

1972年年历卡,革命现代舞剧《红色娘子军》,北京日历厂出口

随机推荐

发现更多精彩图片

点拍同款,时间选3分,在点相册,点左下角全选,选两张照片,下 - 抖音

美制aim120空空导弹威力强大价格高得离谱让采购方抓狂

我爱你,不光是因为你的样子, 还因为和你在一起,我.

e和声小调音阶(中央音乐学院钢琴(业余)考级教程7-9级)简谱_流行简谱

初学者怎么画动漫人物画动漫人物基础入门步骤

阴囊福尼尔坏疽好发于六,七十岁以上长者,阿杨虽然才四十多岁,但是他

148施华洛世奇项链黑色天鹅小

猪猪侠之超级五灵侠猪猪侠之星五灵侠变形合体机甲玩具级风驰虎菲菲

usb口5v输入升压两节串联锂电池充电管理ic电路板84v1a

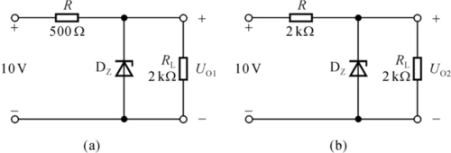
稳压二极管的计算已知稳压管的稳压值uz=6v,稳定电流的最小值izmin=5