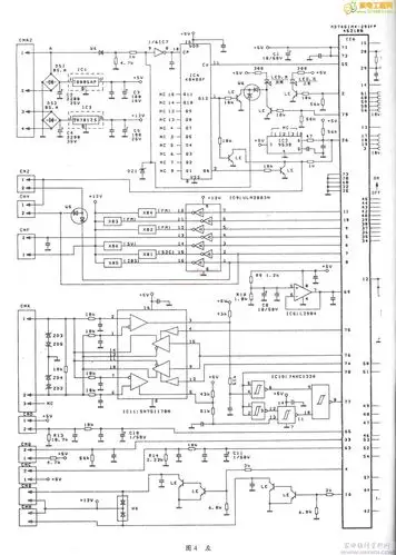
详解变频空调器单元电路

高清图片下载 免费 安全无风险
详解变频空调器单元电路

详解变频空调器单元电路

点击图片查看原图

图片信息

  • 格式: JPG
  • 尺寸: 1404x1578
  • 大小: 约1.2MB

版权声明

相关标签

自然风光 高清壁纸 4K画质

分享图片

相关推荐

基于当前图片的相似推荐

海信kfr-60gw/39bp空调器硬件电路介绍(图)

空调电路板维修宝典电子书视频

可以通过对空调的显示板进行故障检测2当电流出现过载现象的时候也是

空调电路板维修宝典电子书视频

看图学习维修空调器电路板(下)

科龙kfr-28gw/bp变频空调电路板工作原理

空调控制板原理图 - 消费类电子电路图 - 电子发烧友网

宝花牌kfr-35g分体式空调器电路图

三菱fdf304hen空调控制电路分析说明

看图学习变频空调器电控系统维修

变频空调电脑板维修讲座

lg空调故障代码53是什么典型定频空调器的电路识图方法

随机推荐

发现更多精彩图片

觉牌千花衣韩式祖衣八吉祥袈裟佛教方丈主持红色僧衣过寿搭衣定制

堆糖,美图壁纸兴趣社区

三角形铝管 6063合金管铝型材定做 挤压 汽车充电桩外壳铝合金

6gb 64gb亮黑色6gb 128gb>更多参数>>特征特质:其他系统:其他游戏配置

外墙抹面胶浆(标准型)

mike会长期在中国发展吗mike在泰国是几线演员

万恶之源小圆开创魔法少女黑化先河但致郁背后藏着治愈

用a4纸写一张为服务人员的贺卡用a4纸写贺卡

高端大气!真正做到极致的一款珍珠手链腕表! 尺寸20x26mm#香奈儿手表

自动暗藏移门cad节点图