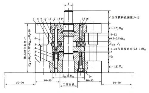
塑料方盖注射模具设计

高清图片下载 免费 安全无风险
塑料方盖注射模具设计

塑料方盖注射模具设计

点击图片查看原图

图片信息

  • 格式: JPG
  • 尺寸: 1100x778
  • 大小: 约1.2MB

版权声明

相关标签

自然风光 高清壁纸 4K画质

分享图片

相关推荐

基于当前图片的相似推荐

注射模具设计-注塑模滑块抽芯含nx三维及12张cad图1模2腔_装配图网

冲压模具设计装配图

asm-角1a三维装配图工件图固定板,u形槽矩板的冲压模具设计-落料冲孔

其他冲压模具图纸 图纸包括制件图,装配图和部分零件图,图纸

a4塑件图a三维装配图蝴蝶结翻盖注塑模具设计-塑料注射模含nx三维及11

汽车转向灯灯罩的注塑模具设计

加压鞍零件冲压模具设计-落料冲孔-冲孔-弯曲-弯曲复合模含28张cad图4

随机推荐

发现更多精彩图片

【精选动漫】可爱小女生全身图,卡哇伊

圆形监控摄像头简笔画

盘点80年代红极一时的香港女明星,网友评论:都是大美女啊

第一次画分镜头脚本

yooz柚子二代能退换吗,口味多吗,哪个口味好抽,-微商代理-微商资讯

半小时漫画《西游记》| 和孙悟空一起打怪,成长,升级!_绘本_苹果树_故

鮰鱼大清江鱼回鱼鲜活可宰杀冰鲜

黄日华何家劲芜湖踢足球影迷穿古装热情接机

【图】奔驰迈巴赫s450商务成功人士的标配_迈巴赫s级论坛_汽车之家论

人力资源规划方案模板总9页docx