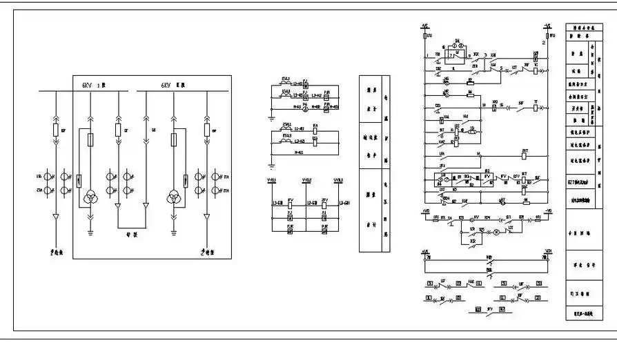
电工接线不求人,3分钟搞懂电气二次回路图

高清图片下载 免费 安全无风险
电工接线不求人,3分钟搞懂电气二次回路图

电工接线不求人,3分钟搞懂电气二次回路图

点击图片查看原图

图片信息

  • 格式: JPG
  • 尺寸: 1280x960
  • 大小: 约1.2MB

版权声明

相关标签

自然风光 高清壁纸 4K画质

分享图片

相关推荐

基于当前图片的相似推荐

怎样掌握操作二次回路的一般原则?

二次回路(如何看懂二次回路图)

一种实现电流互感器二次回路自动短接的电路

电容补偿柜作用工作原理原理图二次接线图

电流二次回路技术要求:电流二次回路不允许接入_接线图分享

图7-9 应急照明二次回路原理图

电工接线不求人,3分钟搞懂电气二次回路图

二次控制回路通用图

用软起动器的电动机二次接线图

xj01-115自藕减压启动箱二次回路接线图?

电工接线不求人,3分钟搞懂电气二次回路图

随机推荐

发现更多精彩图片

【优质】阳光明媚的女生网名-范文模板 (4页)

你看起来不正常表情包 - 全是猫咪表情包 - 表情图

信封封面的格式是怎样的

橦华儿童短裤女童外穿中大童薄款夏裤小女孩912岁小学生夏季热裤五分

26周查出胎儿"畸形",孕妈坚持生下,孩子出生后又后悔

铁锚牌352厌氧胶厌氧性密封胶200g包装

练练手,生疏了许多#快乐就这么简单 #油画棒风景画 - 抖音

中国传统文化创意美术《戏帽》创意画.

3227 清 粤绣百鸟朝凤

ccb.com查询兑换,逾期无效(建设银行).

听歌是一种修心,开心时听的是旋律.伤心时听的是歌词.