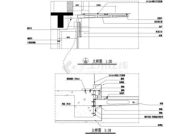
铝方管施工剖面图2

高清图片下载 免费 安全无风险
铝方管施工剖面图2

铝方管施工剖面图2

点击图片查看原图

图片信息

  • 格式: JPG
  • 尺寸: 377x483
  • 大小: 约1.2MB

版权声明

相关标签

自然风光 高清壁纸 4K画质

分享图片

相关推荐

基于当前图片的相似推荐

10套铝方管施工建筑大样图

某铝方管施工cad全套设计大样图

铝方管施工大样设计详图

供应定制u型铝方通厂家_定制u型铝方通价格_氟碳u型铝方通厂家

=图13.2.3-2 支管为方管或矩形管时加劲板的位置

10套铝方管施工建筑大样图

加强折弯防盗护栏尖头喷塑厂区护栏锌钢方管横梁组装围墙专用

广告行架热镀镀锌方管桁架婚庆背景墙户外展示x展架

铝方管施工cad大样图

铝格栅铝方通铝方管仿木纹外墙石纹氟碳u型弧形造型厂家铝银幕

钢结构焊接标准图及节点构造大样图

随机推荐

发现更多精彩图片

58岁张曼玉近况曝光,住贫民区,不婚无子,过着普通人的生活

2022你的头像该换了50张马到成功3d古风商务签名头像请查收

从九宫飞星说说2021辛丑年九星飞临各方位的吉凶意象

宝宝吃饭餐椅儿童饭桌可折叠便携式家用婴儿椅子儿童餐椅

活动作品三口解说colorrush遇见你之后你们南韩小男孩都这么会撩吗

小学数学常用图形周长面积体积计算公式

旅游干货|中型机 空客320 飞机选座分享 看了很多笔记的分享,结合自己

王者荣耀兰陵王驯魔猎人礼包概率是多少礼包概率介绍

郑州服务 郑州休闲娱乐 郑州ktv 1/6

红轴新宠沃玉3号,不秃尖,更高产.轻松丰收新体验! - 美篇