2021款大众新桑塔纳冰丝全包冬季汽车坐垫专用四季通用座套座椅套

高清图片下载 免费 安全无风险
2021款大众新桑塔纳冰丝全包冬季汽车坐垫专用四季通用座套座椅套

2021款大众新桑塔纳冰丝全包冬季汽车坐垫专用四季通用座套座椅套

点击图片查看原图

图片信息

  • 格式: JPG
  • 尺寸: 800x800
  • 大小: 约1.2MB

版权声明

相关标签

自然风光 高清壁纸 4K画质

分享图片

相关推荐

基于当前图片的相似推荐

21款大众桑塔纳1.5l自动风尚版,新车到店

上汽大众 桑塔纳 2021款 1.5l 自动舒适版

2021款上汽大众桑塔纳新车实拍售869万元起

嘿|052021款大众桑塔纳 |户|17 - 抖音

曾经的大众神车,2021款配置提升,新款的桑塔纳还能一战否?

太平洋汽车>汽车报价>大众>上汽大众>桑塔纳>2021款1.

2021款大众桑塔纳15l自动风尚版点评

2021款上汽大众桑塔纳新车实拍售869万元起

上汽大众2021款桑塔纳上市

上汽大众 桑塔纳 2021款 1.5l 手动风尚版

上汽大众 桑塔纳 2021款 1.5l 手动舒适版

2021款"桑塔纳"来了!配ea211皮实机头,综合油耗5.5l,售8.69w

随机推荐

发现更多精彩图片

mc 我的世界壁纸【186】(游戏静态壁纸) - 静态壁纸下载 - 元气壁纸

企业大数据抽象线条科技感背景素材

德州宁津孩子不听话有什么学校

草根陈劲松:清代裹小脚女性人口总数量表.png

吸入用布地奈德混悬液

《free lucky《光遇》,钢琴谱》《光遇》(五线谱 钢琴曲 指法)-弹吧

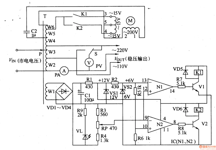
该交流稳压器电路由稳压电路,电压检测控制电路和调压输出电路组成

郑州减脂健身餐课程专业培训班

240_240gif 动态图 动图