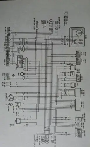
踏板125摩托车的电路图有很多种,不同品牌和不同车型间都有差异,下面

高清图片下载 免费 安全无风险
踏板125摩托车的电路图有很多种,不同品牌和不同车型间都有差异,下面

踏板125摩托车的电路图有很多种,不同品牌和不同车型间都有差异,下面

点击图片查看原图

图片信息

  • 格式: JPG
  • 尺寸: 1441x912
  • 大小: 约1.2MB

版权声明

相关标签

自然风光 高清壁纸 4K画质

分享图片

相关推荐

基于当前图片的相似推荐

力帆lf150-16型摩托车电路图

062嘉陵jl125-19摩托车电路图.gif

090凌鹰zy125摩托车电路图.gif

摩托车的电路原理图免费下载

【图】黄龙300电路图求解_摩托车论坛_汽车之家论坛

豪爵铃木gw250 电路系统详解-摩托车论坛|摩托车联盟|东北摩托联盟

摩托车改电喷只有想不到没有做不到求精

079新大洲本田sdh125-6摩托车电路图.gif

019大阳dy90-3a型摩托车电路图.gif

江苏宗申小课堂:电喷车型ecu线路图|发动机|化油器|汽油|ecu|摩托车

部分进口摩托车各种接线图

轻骑qsl50t摩托车电路图

随机推荐

发现更多精彩图片

乐事逗图斗薯片表情包文字图案薯片告白三种口味罐装印花限定薯片

2016年一年级音乐上册第6课在农场里课件4花城版

她曾靠圆圆小脸蛋走红coser界 如今改名抖音网红yuki雪雪爆红

原木办公桌茶桌老榆木书桌实木家具定制

屈腕试验(phalen征):令患者腕自然下垂,掌屈,肘关节伸直,持续1min后

滋水王八#杰尼龟 #精灵宝可梦 #宠物小精灵

路虎揽胜2013 2壁纸1024x768分辨率查看

利他思维让你无往而不利