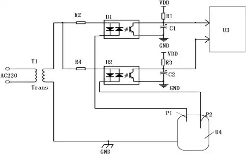
一种水位检测电路

高清图片下载 免费 安全无风险
一种水位检测电路

一种水位检测电路

点击图片查看原图

图片信息

  • 格式: JPG
  • 尺寸: 1536x1102
  • 大小: 约1.2MB

版权声明

相关标签

自然风光 高清壁纸 4K画质

分享图片

相关推荐

基于当前图片的相似推荐

这是个水位检测电路,讲下原理

cn213239100u_一种精准电容式液位检测电路有效

cn2145401y_水位自动控制器失效

水位传感器(water sensor)原理图

zip下载】数电课设-水箱水位控制系统multisim仿真设计【multisim仿真

一,应用电路图sc01水位检测demo板使用手册刻度,输出变高阻.

水位没有达到金属块a时,灯l1亮;水位达到金属块a时,由于一般的水是

交流检测水位报警器电路

cn207280550u_一种基于交流电检测水位的自动抽水装置有效

求大神帮忙 水位控制电路 的工作原理 急用啊

水箱水位检测电路【恢复】

cn105203180a_饱和蒸汽发生器的水位检测电路失效

随机推荐

发现更多精彩图片

victoria的相册-千变万化大头照

简笔画可爱小图案简笔画可爱小图案怎么画

《终极笔记》壁纸(图大量多)3.20更新-网盘见末尾.

50周年纪念版k99 进口原装kenwood/建伍k999组合音响tb668104620228

开场--凤头(漂亮,引人入胜) 主体--猪肚(充实,条理清晰) 结尾--豹

1954年作中华人民共和国第一届全国人民代表大会第一次会议全体代表

2018款猎豹cs9 1.5t cvt 劲朗型

二年级大头儿子简笔画手抄报 二年级手抄报

可爱玫瑰多肉植物一物一拍无砍自然群老桩办公桌多肉植物

微胖女人最可爱#陪伴是最大的幸福,健身舞

妹子是蓓蓓的好朋友,没想到只有杠开解因果的时候需