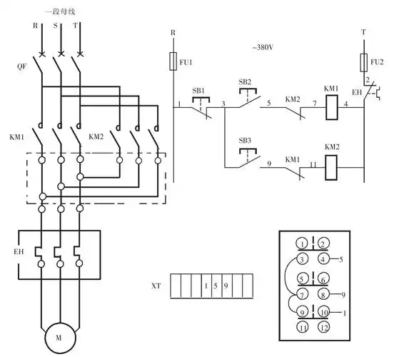
接触器控制380v电机如何接线?经典启保停电路是最优解

高清图片下载 免费 安全无风险
接触器控制380v电机如何接线?经典启保停电路是最优解

接触器控制380v电机如何接线?经典启保停电路是最优解

点击图片查看原图

图片信息

  • 格式: JPG
  • 尺寸: 640x450
  • 大小: 约1.2MB

版权声明

相关标签

自然风光 高清壁纸 4K画质

分享图片

相关推荐

基于当前图片的相似推荐

图10-22 电动机的接触器正反转控制电路

按钮接触器双重连锁正反转控制原理及接线图

接触器控制电机正反转图纸

真空接触器控制的电动机最简单的线路图

接触器控制的一键启停电路原理

电动机交流接触器启停控制接线图 - 电路图分享_电工学习网

如图8-2所示是表示交流接触器主触头,线圈,辅助触头在控制电路中基本

带有热继电器过载保护的三相异步电动机启动控制线路

用按钮来启动和停止控制电动机如何接线并画出明细图

三相异步电动机接触器自锁控制线路

380交流接触器控制1台电机的实物图

接触器触点相互制约的电动机正反转点动控制电路

随机推荐

发现更多精彩图片

霸屏九年,不忘初心,《男生女生向前冲》第十季创新破局再出发!

gucci古驰黑银手镯手表_【95新】新_2659元_-心上

海昕夏凡成为小导游动漫_手机乐视视频

英雄联盟,影流之主,劫,游戏英雄联盟壁纸图片

「鉴赏」铜装花纹钢唐剑-百花剑

扔下我 02,为什么要独自离开 02,不是说好了要一起驾驶鹤望兰号吗 02

梦见自己小腿受伤流好多血是什么意思

对抗震支架认识的误区和安装必要性的解读

"鼻型"不同命不同吗?你的鼻子是什么形状的?看完涨知识了!

小户型厨房装修如何打造实用高效的空间

刷头与眉峰保持平行:用螺旋刷梳理眉毛时,注意使刷头和眉峰处保持平行