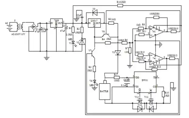
强光手电充电器原理图

高清图片下载 免费 安全无风险
强光手电充电器原理图

强光手电充电器原理图

点击图片查看原图

图片信息

  • 格式: JPG
  • 尺寸: 944x544
  • 大小: 约1.2MB

版权声明

相关标签

自然风光 高清壁纸 4K画质

分享图片

相关推荐

基于当前图片的相似推荐

西普尔充电器原理图

智能充电器设计 放大电路 电路维修 手机充电器原理图 电子元器件图片

部分锂电充电器原理图

手机充电器常用的几款电路原理图

一颗小型5v充电器,里面电路相单简单,搞懂原理图自已可以制作

36v电动车充电器工作原理分析

5v手机充电器原理图(三款充电器电路原理图详细)

铅酸电池脉冲充电器电路图

万能手机充电器电路图

随机推荐

发现更多精彩图片

吴镇宇张家辉同框表情搞怪 自曝和古天乐兄弟情最有看点_新浪图片

十二星座能考什么大学?

请帮忙制作小2寸白底证件照,文件小于40kb,格式jpg,非常感谢!

黄色放射线招聘psd分层h5背景素材

未来战士 卢锡安 皮肤视频 - lol英雄联盟手游 pulsefire lucian wild

人格丧失壁纸:图片中充满了压抑的感觉,我更受不了第四张

逼真立体玫瑰花素材

中药材特级野生火麻仁500g克火麻仁籽火麻仁子桑叶茶决明子茶泡茶

爸爸妈妈,我还欠你们一句话

《打麻将必胜口诀 》 #龙年造梗大赛##本命年许愿池