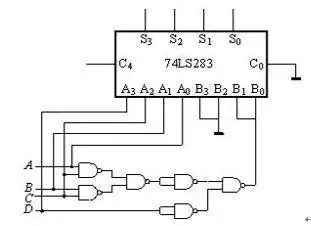
下图所示为2个4位二进制数相加的串接全加器逻辑电路图运算后的cos3s2

高清图片下载 免费 安全无风险
下图所示为2个4位二进制数相加的串接全加器逻辑电路图运算后的cos3s2

下图所示为2个4位二进制数相加的串接全加器逻辑电路图运算后的cos3s2

点击图片查看原图

图片信息

  • 格式: JPG
  • 尺寸: 520x197
  • 大小: 约1.2MB

版权声明

相关标签

自然风光 高清壁纸 4K画质

分享图片

相关推荐

基于当前图片的相似推荐

quartusii四位加法器设计图计组课设

基于verilog hdl的超前进位全加器设计

使用全加器的4位加法运算电路

使用全加器的4位加法运算电路图

【计算机组成实验】四位加法器

verilog学习笔记4bit超前进位加法器电路

四位全加器74ls83引脚图及功能表

用集成四位全加器74ls283和二输入与非门构成电路如图所示输入为bcd

四位加法器的电路图

四位前进位加法器设计

随机推荐

发现更多精彩图片

嘻哈风格的年轻人跳街舞

最新法式空气八字刘海,优雅温柔的法式刘海发型

都挺好 倪大红 苏大强 我有小情绪了 伤心

超a禁欲系情侣头像35组 高冷好看的超a禁欲系情头真人图片_情侣头像

155小个子t恤卫衣衬衫西装衣长参考

小制作之"电动旋转风车"

单个素描静物结构练习,新手速进!

工笔荷花鱼上色步骤

大众帕萨特2019版新车

五年级上册科学课件 上弦月 上(弦月) 下弦月 下(弦月) 下(半月) 下

戴帽长臂猿的简要介绍