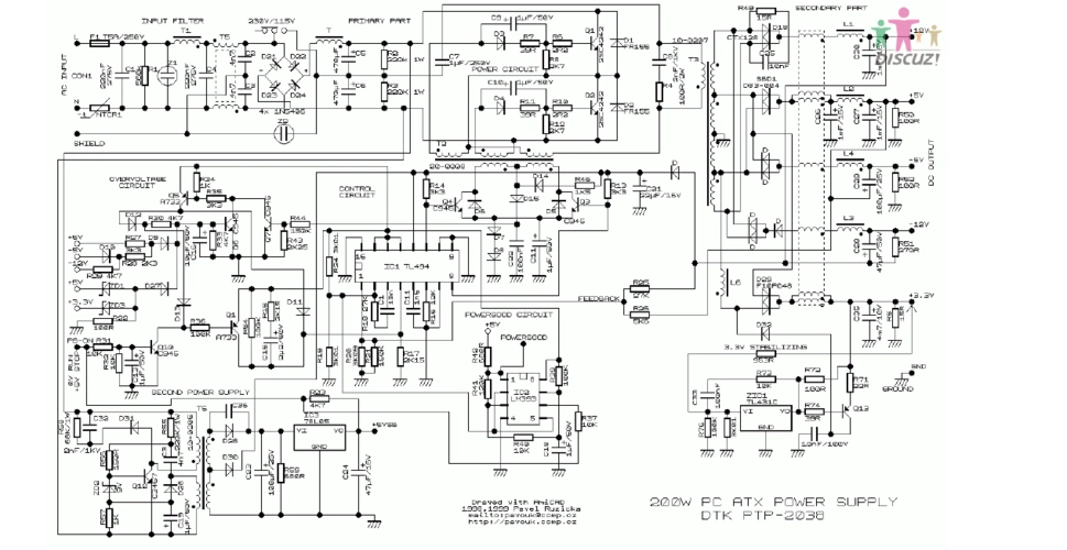
分为两路,一路送到副电源供电电路,副电源首先工作,输出v1-5v电压为

高清图片下载 免费 安全无风险
分为两路,一路送到副电源供电电路,副电源首先工作,输出v1-5v电压为

分为两路,一路送到副电源供电电路,副电源首先工作,输出v1-5v电压为

点击图片查看原图

图片信息

  • 格式: JPG
  • 尺寸: 2757x1576
  • 大小: 约1.2MB

版权声明

相关标签

自然风光 高清壁纸 4K画质

分享图片

相关推荐

基于当前图片的相似推荐

的开关电源电路图(一)本文主要讲了六款简单的开关电源电路设计原理图

高精度60khz-110khz-10w-20w开关电源电路图

开关电源各种经典电路图详解

详解四种电瓶车充电器改可调电源的方法及电路图分析

海尔jsl4065050彩电电源电路原理详解

电脑开关电源原理图上一页第5页 下一页 你可能喜欢 电脑开关电源电路

海尔jsl4065-050彩电电源电路原理详解

三洋32ce66oled液晶彩电的电源板电源部分电路如图8-14所示,由驱动

三星la40a65oa1r液晶彩电开关电源电路原理图1

65w双输出开关电源电路

随机推荐

发现更多精彩图片

结婚前,潘阳被老公承诺操纵家中的财政局实权,最后真的如愿了吗?

海的背景上是一个戴着帽子吸烟的女人的剪影

婚前同居,坐牢,烧锅炉,那个演关羽的陆树铭,比你想象的更荒唐

农历三月初三轩辕黄帝圣诞中华民族人文始祖炎黄子孙同拜祖

iphone 壁纸 美丽的长发公主

中国京剧脸谱书签(全套十枚)

客厅c位电视背景墙如何装饰?东易日盛颜值担当效果推荐

丧尸来袭时能带你逃离的车型

【4周达】reeds homophones: a comprehensive book of sound-alike

如何一步一步画钢铁侠

这只蝴蝶身上藏有10张人脸!至今无人能全找到,你敢来试试吗?