书法知识|汉字字体的演变过程 99汉字文化在我国历史上具有重要地位

高清图片下载 免费 安全无风险
书法知识|汉字字体的演变过程 99汉字文化在我国历史上具有重要地位

书法知识|汉字字体的演变过程 99汉字文化在我国历史上具有重要地位

点击图片查看原图

图片信息

  • 格式: JPG
  • 尺寸: 961x1280
  • 大小: 约1.2MB

版权声明

相关标签

自然风光 高清壁纸 4K画质

分享图片

相关推荐

基于当前图片的相似推荐

字体的演变.出处见水印 - 抖音

99今日常识——汉字的演变73.

汉字演变的顺序是什么

图解汉字发展史,一个顺口溜记住

文字从甲骨文到汉字的演变过程 - 抖音

大班语言区汉字的演变2

汉字演变欣赏,甲骨文学习唐诗一首.#汉字演变欣赏,大,歹(歺 - 抖音

图解汉字发展史,一个顺口溜记住

全世界几乎都被"字母"占领,为什么只有中国保住"汉字体系"?

文字从甲骨文到汉字的演变过程 - 抖音

随机推荐

发现更多精彩图片

从耳朵看吉凶,快来对照吧~_耳垂_耳廓_水耳

江疏影:白色制服高跟定妆

趁着还没组规安利一波段小薇其他

吴宣仪头像. 二传标明宋睿恩

登高古城垣·漫步古长安

【作死推荐】ladygaga都不一定hold的住的奇葩假睫毛!

《我的世界》建筑欣赏 超大纯白钢琴

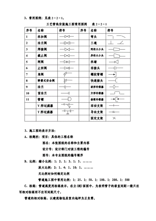
工艺管道工程(识图).doc 16页

云南美食文化——宣威八大碗

济南市中心医院的门诊病历显示,小花左侧眼睑部皮肤及皮下组织不规则