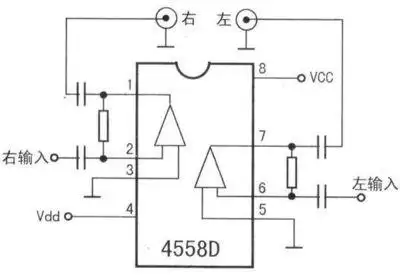
4558d双电源典型电路图求解一电路图这是一段从运放到功放的电路,以前

高清图片下载 免费 安全无风险
4558d双电源典型电路图求解一电路图这是一段从运放到功放的电路,以前

4558d双电源典型电路图求解一电路图这是一段从运放到功放的电路,以前

点击图片查看原图

图片信息

  • 格式: JPG
  • 尺寸: 388x488
  • 大小: 约1.2MB

版权声明

相关标签

自然风光 高清壁纸 4K画质

分享图片

相关推荐

基于当前图片的相似推荐

4558有源2.1音箱电路图

4558双电源供电做的混音电路,怎么改成单电源?

4558 ⑧电源正 ④电源负 ①⑦输出

4558双声道运放电路图(六款电路图分享)

无忧文档 所有分类 工程科技 电子/电路 ba4558n中文资料 audio

从音量调节到音调板r,l双声道信号经jrc4558d放大后再输入到音调电路.

4558双电源供电做的混音电路,怎么改成单电源?

以下是4558d电路图额定电压是9v8:vcc 电源7:amp out2 放大信号输出(2

4558话筒放大器电路图

集成块,4558d功能是怎么样的?

4558音频运放电路分析

随机推荐

发现更多精彩图片

表情抱枕表情包枕头毛绒玩具笑脸狗头娃娃聊天抖音搞笑emoji优惠券

鸟类590种,爬行类150种,两栖类60种),列入国家重点保护野生动物名录的

求几张小女孩凉鞋的照片

怎么把视频做成gif 截取视频中的一部分内容,制作成gif动态图

天梯图使用笔记本电脑如果经常无法插电使用,那么intel处理器表现好一

骨折后,医生在患者前臂和手腕上使用石膏石膏和绷带固定.