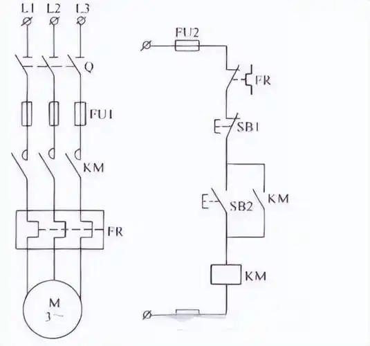
自锁电路原理

高清图片下载 免费 安全无风险
自锁电路原理

自锁电路原理

点击图片查看原图

图片信息

  • 格式: JPG
  • 尺寸: 718x464
  • 大小: 约1.2MB

版权声明

相关标签

自然风光 高清壁纸 4K画质

分享图片

相关推荐

基于当前图片的相似推荐

电工必会,点动自锁混合电路原理分析图 #电工 #零基础学电工

接触器的自锁是怎么回事?一起来看看吧!

电机自锁控制电路,很简单,你确定不来试试吗?

自锁?以及常见自锁电路_回路_控制_电动机

2,零基础学电工-自锁控制(电路图,实物接线图,仿真图)

实训三 三相异步电动机自锁控制电路

17千瓦电动机接触器自锁电路安装与实物图

继电器常用自锁电路图

三相电机自锁控制电路

求这张三相异步电动机自锁正转控制线路电气原理图的实物图,不知道

3种点动和自锁的混合控制电路,最好用的一种直接上实物图

随机推荐

发现更多精彩图片

蔡徐坤|演唱会|女明星|蓝调音乐|节奏蓝调|美国民俗音乐_网易订阅

挑战每天按相册顺序发一张李易峰的照片##园园不断

240_240gif 动态图 动图

金晨近照被指撞脸娜扎杨幂,自从被扒整容后,她的口碑就大不如前

43岁林志玲和老爸一起跳舞,大家注意力都放在第五张

大唐荣耀 风生衣 曹曦戈

这些女明星的脸不仅好看,还有高级感,你hold住了吗?

比利海灵顿动漫头像【点击鼠标右键下载】

英语作文分享 《my favorite hobby》作文分享 这次的作文有些难度

【嘉康利蛋白粉】使用方法_功效作用说明_嘉康利蛋白粉价格_效果怎么

p>三叶香草(学名:lysimachia insignis)为 a href="#" data-lemmaid=

分期胃癌的影像学分期图解