抓图库
专业素材库
首页
热门图片
图片分类
图组推荐
VIP专区
登录
首页
热门图片
图片分类
图组推荐
VIP专区
登录/注册
水分子结构孤立于白色
高清图片下载
免费
安全无风险
水分子结构孤立于白色
点击图片查看原图
免费下载
VIP加速
图片信息
格式:
JPG
尺寸:
1200x910
大小:
约1.2MB
版权声明
相关标签
自然风光
高清壁纸
4K画质
分享图片
微信
微博
QQ
相关推荐
基于当前图片的相似推荐
换一批
水 (h2o) 分子结构上白色孤立
查看详情
水 (h2o) 分子结构上白色孤立
h2o2过氧化氢分子
查看详情
h2o2过氧化氢分子
h2o,水分子图
查看详情
h2o,水分子图
高中化学过氧化氢的知识点
查看详情
高中化学过氧化氢的知识点
水的分子结构
查看详情
水的分子结构
水和氧气形成双氧水的电子式怎么写
查看详情
水和氧气形成双氧水的电子式怎么写
都是σ键,没有π键,分子结构如图.
查看详情
都是σ键,没有π键,分子结构如图.
水分子四面体结构
查看详情
水分子四面体结构
而我们都知道,物质当中是有一堆的水分子,其中的氧原子都带微弱的负电
查看详情
而我们都知道,物质当中是有一堆的水分子,其中的氧原子都带微弱的负电
水分子结构孤立在白色背景上
查看详情
水分子结构孤立在白色背景上
还有某化学教材上的水分子结构图,都因为类似米奇,而收到迪士尼法务部
查看详情
还有某化学教材上的水分子结构图,都因为类似米奇,而收到迪士尼法务部
h2o水分子dna
查看详情
h2o水分子dna
随机推荐
发现更多精彩图片
换一批
任嘉伦魅力写真图片桌面壁纸
查看详情
任嘉伦魅力写真图片桌面壁纸
肖战表情包超话#肖战##肖战我们的歌##肖战 竹石#自制小赞表情包,取图
查看详情
肖战表情包超话#肖战##肖战我们的歌##肖战 竹石#自制小赞表情包,取图
粉彩五彩斗彩一看就懂
查看详情
粉彩五彩斗彩一看就懂
韩国男神级男星李敏镐帅照写真大合集
查看详情
韩国男神级男星李敏镐帅照写真大合集
影视流泪哽咽崩溃gif动图_动态图_表情包下载_soogif
查看详情
影视流泪哽咽崩溃gif动图_动态图_表情包下载_soogif
单芯片usb 2.0转10/100m以太网控制电路简介-电子发烧友网
查看详情
单芯片usb 2.0转10/100m以太网控制电路简介-电子发烧友网
定制pvc铝合金折叠门开放式厨房卫生间隔断门商铺平移推拉折叠门
查看详情
定制pvc铝合金折叠门开放式厨房卫生间隔断门商铺平移推拉折叠门
栫"u鸿虑
查看详情
栫"u鸿虑
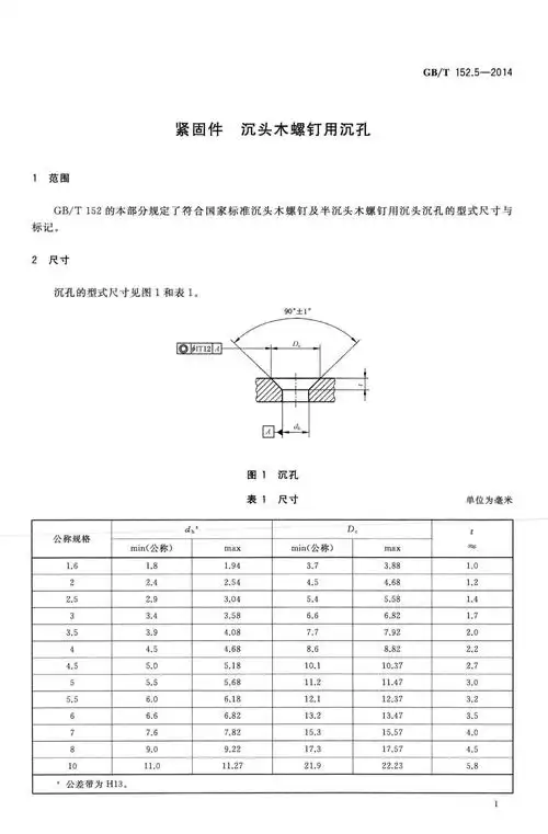
规定了符合国家标准沉头木螺钉及半沉头木螺钉用沉头沉孔的型式尺寸与
查看详情
规定了符合国家标准沉头木螺钉及半沉头木螺钉用沉头沉孔的型式尺寸与
木丸子榉木数字认知叠叠高儿童叠叠乐积木玩具真心话大冒险抽抽乐
查看详情
木丸子榉木数字认知叠叠高儿童叠叠乐积木玩具真心话大冒险抽抽乐
长城第一墩
查看详情
长城第一墩
探寻陕南旬阳县城 太极山城夜色斑斓
查看详情
探寻陕南旬阳县城 太极山城夜色斑斓