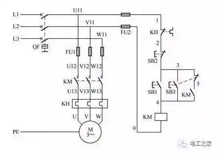
点动控制,自锁控制和互锁控制电路的工作原理-电子发烧友网

高清图片下载 免费 安全无风险
点动控制,自锁控制和互锁控制电路的工作原理-电子发烧友网

点动控制,自锁控制和互锁控制电路的工作原理-电子发烧友网

点击图片查看原图

图片信息

  • 格式: JPG
  • 尺寸: 630x562
  • 大小: 约1.2MB

版权声明

相关标签

自然风光 高清壁纸 4K画质

分享图片

相关推荐

基于当前图片的相似推荐

电气百科点动加自锁电路点动出现自锁现象是什么问题

点动控制,自锁控制和互锁控制电路的工作原理

3种点动和自锁的混合控制电路,最好用的一种直接上实物图

互锁,自锁,连锁接线图 - 抖音

两个点动按钮相互自锁闭合电路,大神们进来帮个忙吧

什么是互锁?什么是自锁?

电气入门要记住的电路图,交流接触器自锁和互锁电路图分析

点动,自锁,点动与自锁混合控制电路图

什么是接触器的自锁和互锁?

三相电动机点动及自锁控制电路图

交流接触器自锁互锁电路图

鼠笼异步电动机的点动与自锁控制电路

随机推荐

发现更多精彩图片

文字行书写法_文行书怎么写好看_文书法图片_词典网

golden goose ggdb running 灰色光面小牛皮运动鞋

这样九宫格发照片绝对是点赞破百的朋友圈中间放可爱的妈妈

抖音舞蹈达人代古拉k虚心请教直播秘诀,与粉丝互动太暖心!

我国2月份新增人民币贷款6200亿元

五星上将的译法是否合理

《风再起时》电视剧完整版免费在线观看-66影视

【甲源文化】欧洲-全新unc 卢森堡100法郎纸币 1993

印度抗击疫情真实写照议员聚会贴身热舞儿童火葬场哭喊妈妈