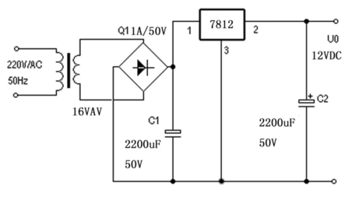
7812稳压电源电路图

高清图片下载 免费 安全无风险
7812稳压电源电路图

7812稳压电源电路图

点击图片查看原图

图片信息

  • 格式: JPG
  • 尺寸: 835x488
  • 大小: 约1.2MB

版权声明

相关标签

自然风光 高清壁纸 4K画质

分享图片

相关推荐

基于当前图片的相似推荐

用7812制作一个正12v的直流稳压电源

想用7812(或其他稳压管)把双12v的直流电稳压成双9v,请大家给我个电路

请问7812电路保护二极管的位置对吗

关于利用7812和7912单电压转双电压的探讨

可调稳压电源电路图

展开全部 用7812就ok了 向左转 向右转

大家都是会用的,下面是典型应用电路: 今天和大家共同探讨一下用7812

条件,输入电压ac220 50hz 采用7812的稳压电源电路图怎么画?

16伏的电源怎么用7812三端稳压器接线(需要12伏的电压)?

随机推荐

发现更多精彩图片

吃饭了的表情包合集|吃饭了,我只负责喊喊,群主请客

安平县疏通马桶疏通下水管 - 抖音

奥利奥饼干系列包装设计——水果系列

子扬农味麻辣棒棒鸡四川特色私房菜红油凉拌菜香辣鸡肉冷吃速食

哇塞!哇塞_西双版纳傣族园"的评论图片

恒大帝景,永城路,近经九路-西安恒大帝景二手房,租房,房价-西安安居客

e-moving 中华电动二轮车

八仙过海的图画简笔画

当宝可梦的角色肌肉化第n期

春天花会开锦城处处春疫情过后成都将更美