空中客车 a319 飞机飞机

高清图片下载 免费 安全无风险
空中客车 a319 飞机飞机

空中客车 a319 飞机飞机

点击图片查看原图

图片信息

  • 格式: JPG
  • 尺寸: 1023x682
  • 大小: 约1.2MB

版权声明

相关标签

自然风光 高清壁纸 4K画质

分享图片

相关推荐

基于当前图片的相似推荐

首架a319neo型客机在天津试飞,预计下月交付南航,祝贺升级换代

法国当地时间3月31日,首架空客a319neo飞机顺利完成首飞.

飞机降落,空中客车 a319 地政总署

空中客车 a319 飞机资料图

"湖南航空"首架飞机空客a319,标识"鸿鹄"

飞机中的战斗机空客a319

空中客车a319(a319飞机最危险)

川航a319卢八斤快帆号广州白云国际机场进近和降落

随机推荐

发现更多精彩图片

《fauna》野生动物宽屏电脑桌面壁纸 第二辑高清大图预览1920×1200_

朴海镇李泰兰结婚 婚后两人还去马尔代夫度蜜月

黄日华,绝对是香港电视界的骄傲!

喜欢小寅文章的同学可以关注公众号《小寅瑜伽》第一时间更新calmly

白雪公主头像平安夜的96可爱女生头像分享 这个苹果96敢吃吗

grow模型974步解决80%的问题,让你不再迷 04你有没有过这样的经历

g684福鼎黑拉槽面_中国石材网

秦国为什么以黑色为尊贵阴阳学说个什么鬼

麻城市行政交通图全图,麻城市行政交通图高清版下载 - 8264户外8264.

网售假"存款证明" 买家多为出国者 - 财经新闻 - 中国网61东海资讯

意大利的防守艺术家,"米兰旗帜"永远的6号弗朗哥·巴雷西

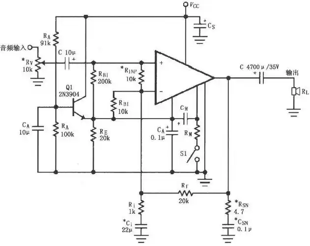
基于lm4732的音频功率放大电路图