男头|最火的炒鸡帅的男神头像,痞帅痞帅的_头像_男生头像_帅哥_头像

高清图片下载 免费 安全无风险
男头|最火的炒鸡帅的男神头像,痞帅痞帅的_头像_男生头像_帅哥_头像

男头|最火的炒鸡帅的男神头像,痞帅痞帅的_头像_男生头像_帅哥_头像

点击图片查看原图

图片信息

  • 格式: JPG
  • 尺寸: 1000x1000
  • 大小: 约1.2MB

版权声明

相关标签

自然风光 高清壁纸 4K画质

分享图片

相关推荐

基于当前图片的相似推荐

年轻有活力痞帅的真人男头 气质满满又很有活力的男生头像_男生头像

痞帅痞帅的男生头像

痞帅痞帅的ins风男头最新合集_男生头像_美头网

男生头像 清纯大帅哥痞帅 男生头像嘎嘎帅

复古斯文败类潮男黑半框痞帅防辐射抗蓝光眼镜超轻平光护眼睛近视

痞帅/潮酷/真人男头/ 别把欲望当_男生头像_我要个性网

痞帅心动的男生头像!

颜值出众的帅哥男生头像

痞帅痞帅的男生头像

痞帅痞帅的男生照片头像高冷气质的男生帅气图片大全

痞帅心动的男生头像!

随机推荐

发现更多精彩图片

化蝶高清版简谱-何占豪演唱-闫肃/陈刚词曲1

fish 鱼 can i have some fish,please?

腰间盘突出症的克星方法5种正骨复位手法助你早日摆脱腰椎痛苦

安然maleah办公室秘书职业制服镜头主题

彻底心凉的说说最新docx13页

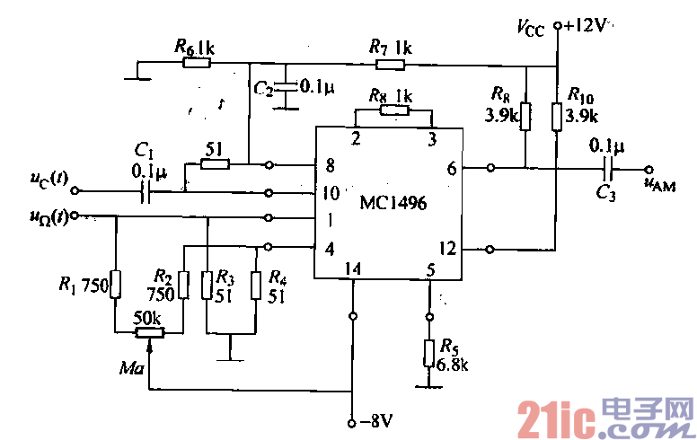
用mc1496构成的调幅电路

我舌头上长的泡泡是什么,该怎么办,(有点疼)

菏泽一小学2000余份贺卡飞往战区

维益西班牙进口爱真38乳脂动物性稀奶油家用淡奶油1l商用裱花原料

5匹 新能效家用变频 挂壁式空调 冷暖自清洁kfr-35gw/bpr3aqe1(b3)