中药材野柴胡正宗新货北柴胡500克醋柴胡炙柴胡醋制柴胡备注

高清图片下载 免费 安全无风险
中药材野柴胡正宗新货北柴胡500克醋柴胡炙柴胡醋制柴胡备注

中药材野柴胡正宗新货北柴胡500克醋柴胡炙柴胡醋制柴胡备注

点击图片查看原图

图片信息

  • 格式: JPG
  • 尺寸: 800x800
  • 大小: 约1.2MB

版权声明

相关标签

自然风光 高清壁纸 4K画质

分享图片

相关推荐

基于当前图片的相似推荐

醋柴胡的功效和作用 醋柴胡的用法

醋柴胡的功效与作用

醋柴胡功效与作用醋柴胡和春柴胡有什么区别

大规格1斤装】醋北柴胡500g 中药醋柴胡药房发货 500g

醋北柴胡药材正宗药用醋制甘肃北柴胡醋炒北柴胡醋柴胡根500g包邮

醋柴胡的炮制步骤及功效

醋北柴胡药材正宗药用醋制甘肃北柴胡醋炒北柴胡醋柴胡根500g包邮

醋柴胡功效与作用醋柴胡和春柴胡有什么区别

醋北柴胡功效与作用优质

随机推荐

发现更多精彩图片

此后,王力宏基本上既维持着一年一张专辑的产量,《不可能错过你》《龙

赵露思转身回眸##赵露思慢镜头回眸

周杰伦孙燕姿是什么关系孙燕姿2017年演唱会行程介绍

牛的笔顺怎么写(硬笔书法中牛子旁) - seo葵花宝典

纯爱推文:哏儿,天津相声界冷血小女仆问好,狗修进撒妈,来点嘛

因出国出自养5年纯血红龙有证书芯片无任何毛病发色很好要求专业鱼友

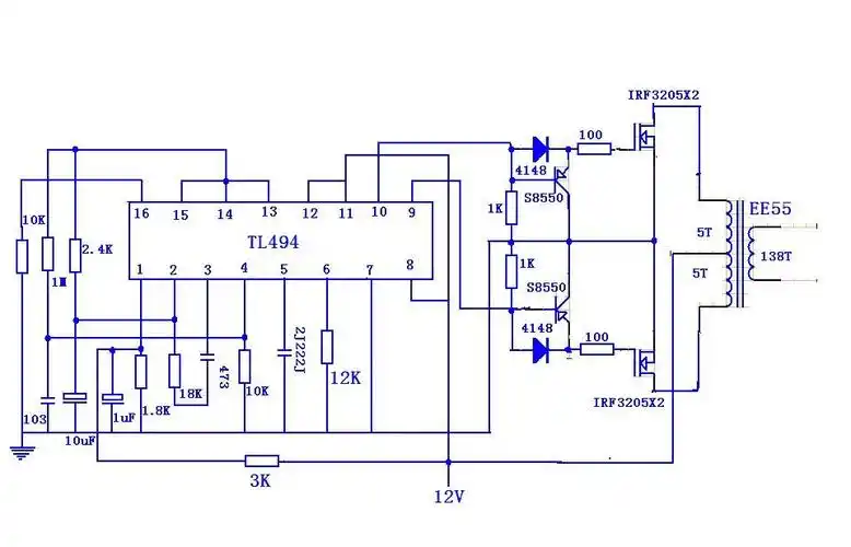
逆变器原理图【资料收录】

老夫掐指一算,你五行缺德八字犯贱