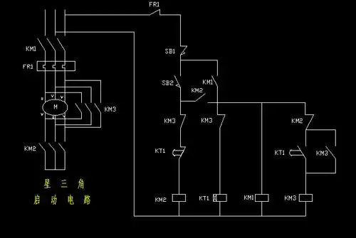
中间继电器接线图以及使用注意事项

高清图片下载 免费 安全无风险
中间继电器接线图以及使用注意事项

中间继电器接线图以及使用注意事项

点击图片查看原图

图片信息

  • 格式: JPG
  • 尺寸: 616x354
  • 大小: 约1.2MB

版权声明

相关标签

自然风光 高清壁纸 4K画质

分享图片

相关推荐

基于当前图片的相似推荐

中间继电器是电工电路中必不可少的元器件,它触 - 抖音

中间继电器的工作原理

中间继电器放大触点容量,扩展触点数量的应用介绍

入门设备维修:电柜常用元件之中间继电器使用

正泰中间继电器jzx-22f/2z底座电压可选 原装正品 产品接线示意图

汽车继电器专业知识干货第一点,汽车上使用的常用继电器是4脚常开

施耐德电气旗舰官网rxm小型中间继电器rxm2lb2bd dc24v现货批发

入门设备维修电柜常用元件之中间继电器使用

8脚继电器接线图 220v继电器接线图解

ckc tinner小型继电器hh52p hh53p hh54p jqx-13f 中间继电器 dc24v

jz7——44中间继电器怎么接啊!

随机推荐

发现更多精彩图片

elle红毯##迪丽热巴 金色女王##迪丽热巴花团锦簇复古造型

世界上最帅的人真的有那么帅吗 传说迷倒万千少女 - 世界之最

"我的结婚证是1956年的,保存完好,想参与征集活动" 九旬老人发来珍贵

简约的带表情的搞笑文字图片

推一部tvb古早青春偶像剧 《恋爱自由式》是一部值得推荐的tvb古早

灯光灯光道路夜晚桥梁建筑城市黑暗brooklynbridge纽约

金刚不锈钢纱窗网厂商公司_2021年金刚不锈钢纱窗网较新批发商--虎易

为什么继续看好并投资百度大放水,预期差与追寻那扑朔的确定性 - 飞鸽

三相变相异步电机星三角起动正确线路接法

王者荣耀:五款源梦皮肤中,哪一款才是你的最爱?_玩家_的设计_官方

高强度虐腹动作,每天坚持5分钟,一个月练出马甲线