2000w全桥软开关直流稳压电源电路

高清图片下载 免费 安全无风险
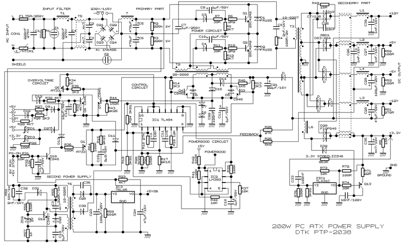
2000w全桥软开关直流稳压电源电路

2000w全桥软开关直流稳压电源电路

点击图片查看原图

图片信息

  • 格式: JPG
  • 尺寸: 2352x1699
  • 大小: 约1.2MB

版权声明

相关标签

自然风光 高清壁纸 4K画质

分享图片

相关推荐

基于当前图片的相似推荐

全桥式开关稳压电源实用电路

开关电源电路图大全

开关电源由以下几个部分组成:一,主电路从交流电网输入,直流输出的全

开关电源由以下几个部分组成:一,主电路从交流电网输入,直流输出的全

基于uc3846的全桥开关电源的设计

12v360w全桥电源模块的电路原理图免费下载

简单易做的大功率开关电源电路图

带你一起玩开关电源功放如何!之一;反激电源

65w双输出开关电源电路

简单实用的开关电源电路图

随机推荐

发现更多精彩图片

绝美古风壁纸,快来选你喜欢的吧!

眼膏剂由于剂型粘稠,药物释放缓慢,所以同一种药,眼膏剂的作用要比眼

二胡入门 d调圆舞曲(扬琴伴奏谱)

剪刀手kittypng素材透明免抠图片动植人物

"猴戏"属于京剧中哪一范畴?它是否取材于神话小说《西游记》?

把王者荣耀五虎上将"q版"用作于五黑头像?玩家瞬间被萌化!

褪去浮华,走"近"留园

五菱宏光s 1.5 咖啡色4.1万元 - 二手车交易 - 宁海在线 - 宁海门户

肌肉男也有文艺面,健硕的胸肌和麒麟臂,更显爆棚的男友力

【迎江区"以声抗疫"课文朗诵】六年级下册《学弈》 - 美篇

给大伙分享一波壁纸,哥斯拉 魔斯拉