做南瓜饼应该用面粉还是淀粉,很多人搞不清楚,难怪做出来口感差

高清图片下载 免费 安全无风险
做南瓜饼应该用面粉还是淀粉,很多人搞不清楚,难怪做出来口感差

做南瓜饼应该用面粉还是淀粉,很多人搞不清楚,难怪做出来口感差

点击图片查看原图

图片信息

  • 格式: JPG
  • 尺寸: 800x1067
  • 大小: 约1.2MB

版权声明

相关标签

自然风光 高清壁纸 4K画质

分享图片

相关推荐

基于当前图片的相似推荐

原创南瓜饼怎么做才好吃大厨告诉你秘诀金黄酥脆学会在家也能做

南瓜饼用普通面粉怎么做

南瓜饼最好吃的做法,不加一滴水,不用油炸,蓬松柔软超好吃

用料糯米粉500克纯南瓜肉150克糖45克南瓜饼的做法小贴士最好加点面粉

纯面粉南瓜饼会硬吗

一只柑橘做的南瓜饼

怎么用面粉做南瓜饼

做南瓜饼时万万不要用面粉用它做口感香甜软糯越吃越想吃

随机推荐

发现更多精彩图片

在庆祝国庆节期间,在这个特殊的时刻,制作和分享姓氏头像不仅是一种

【港风穿搭】港剧《雌雄大老千》周海媚30套穿搭合集

只要我按下这个按钮,你的jb就会爆炸表情包

它神似小猪佩奇,耳朵比头大 腿长逆天,被称为动物界维密天使_跳鼠

米以外的同事乙默默在对话框上敲下了需求,自此,公司只剩下键盘敲击的

【4周达】the predators prey

羊蹄甲与紫荆花有什么区别?羊蹄甲都具有什么价值呢

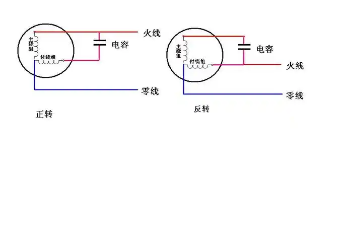
两个220v电机同时完成正反转怎么弄啊?附图

夏日绝句的古诗手抄报古诗手抄报

2月3日采访时间山东烟台吃带鱼时发现牙齿应该不是烟台本地带鱼网友鱼

女款黑色头层牛皮斜圆头中跟中低跟凉鞋