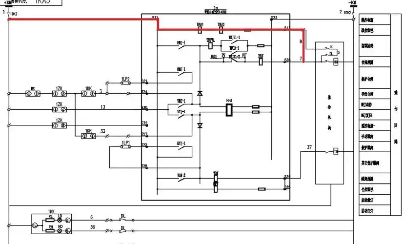
干货丨开关柜二次回路知识及配线图解

高清图片下载 免费 安全无风险
干货丨开关柜二次回路知识及配线图解

干货丨开关柜二次回路知识及配线图解

点击图片查看原图

图片信息

  • 格式: JPG
  • 尺寸: 713x508
  • 大小: 约1.2MB

版权声明

相关标签

自然风光 高清壁纸 4K画质

分享图片

相关推荐

基于当前图片的相似推荐

二次回路(如何看懂二次回路图)

典型二次回路图增压水泵原理图

详解二次回路的基本控制原理

电气二次控制回路基础知识精讲(通俗易懂),萌新都能看懂!

积成电子 线路保护装置 操作回路 二次回路 看不懂

图7-9 应急照明二次回路原理图

液压站二次回路原理图

电工常见的电气二次控制线路图大全

电机控制二次原理图巨详细资料doc

变电站二次回路图0410kv控制回路

二次回路原理图,展开图,接线图

二次回路识图之断路器控制回路

随机推荐

发现更多精彩图片

女人顺风顺水又招财微信头像_微信头像图片大全

丈夫是中国上将,女婿是中国国宝级人物,这个日本女人不简单

山拖泰山拖拉机是属于五征集团的吗?这拖拉机好用不!

小学生日记200字今天我值日doc4页

白胡子这个形象和《strong world》前篇中一模一样,只不过他面前的金

海尔斯跳高鞋田径省队体校生专业跳高钉鞋男体育考试训练比赛钉子鞋

千古一帝 永乐大帝 唯一封狼胥帝王 #大明风华 #朱棣 #我要上热门

上海宝马新5系528升级原厂液晶钥匙案例,适用新款5系,6 .

精灵梦叶罗丽:金离瞳看见镜子,突然记忆错乱,在痛苦中窒息!

104岁高僧本乐长老050505湖北省佛教协会名誉会长接受定制

2023冬季流行短发烫发发型每一款都那么的时髦_烫发_女生发型大全