继电器接触器控制(2),继电器控制习题讨论答案ppt

高清图片下载 免费 安全无风险
继电器接触器控制(2),继电器控制习题讨论答案ppt

继电器接触器控制(2),继电器控制习题讨论答案ppt

点击图片查看原图

图片信息

  • 格式: JPG
  • 尺寸: 1080x810
  • 大小: 约1.2MB

版权声明

相关标签

自然风光 高清壁纸 4K画质

分享图片

相关推荐

基于当前图片的相似推荐

正反转自动循环时间继电器控制

设计一个继电接触器控制系统

干货继电器接触器控制系统设计

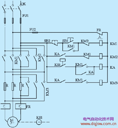
图2-2 继电器接触器控制电路图

第10章 继电接触器控制系统例题(1)

继电器接触器控制系统

接触器继电器控制线路ppt

电动机断相怎么用3个继电器控制

固态继电器控制电机,正反转过程具体是怎样?

ch8继电器接触器控制系统2

随机推荐

发现更多精彩图片

刘耀文一秒变开心的能力小时候到现在都没变!|刘耀文_新浪新闻

开心卡通人物素材素材_开心卡通人物素材图片元素-觅元素

适合萌妹子喜欢的卡通女头像 永远有一颗少女心

【张真源直播】张哥真tm帅我要受不了啦,我的帅气笨笨的老公啊啊啊啊

宋瓷词条图册_百度百科

窈欣小女孩汉服民族服装儿童古装女童10岁女孩中国风裙子小学生古风

分享一组过年讨红包的表情包

燕小乙一路追杀范闲 李子峰《庆余年》尝试冷酷杀手

真有他的室内下沉做水池拿来洗笔改成鱼池和茶室岂不更好