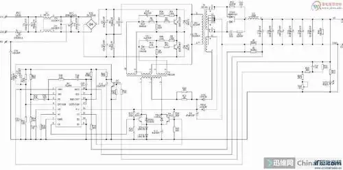
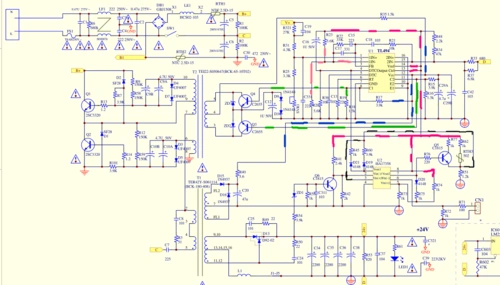
基于tl494的可调恒流源电路

高清图片下载 免费 安全无风险
基于tl494的可调恒流源电路

基于tl494的可调恒流源电路

点击图片查看原图

图片信息

  • 格式: JPG
  • 尺寸: 806x673
  • 大小: 约1.2MB

版权声明

相关标签

自然风光 高清壁纸 4K画质

分享图片

相关推荐

基于当前图片的相似推荐

向大神求助:tl494降压型开关电源的设计 .求原理图,不胜感激呀!

tl494可调电源电路图 (第1页)

明伟tl494开关电源带负载能力极差维修耗时费力

求明纬500wtl494开关电源原理

图tl494组成的200w开关电源电原理图逆变电路图tl494单端连接输出和推

tl494可调电源电路图 (第1页)

tl494制作060v020abuck恒流恒压可调稳压电源效率大于95

tl494(ka7500)经典明纬开关电源工作原理——(第二节)自激振荡启动型

tl494电动车充电器电路图

tl494芯片电源改可调电源

采用tl494 ka7500电源管理芯片的开关电源原理

常见几款的tl494构架的atx电源图纸1

随机推荐

发现更多精彩图片

【妻夫木聪】18年uomo花絮_哔哩哔哩_bilibili

张信哲cd专辑 爱如潮水 车载家用碟无损音质纯银盒装双碟cd

可在2021年时,《快乐大本营》却突然宣布停更,这档全民喜爱的综艺

《迷你世界》祥瑞麒麟坐骑技能属性介绍

精品横财摆件…人无横财不富,马无夜草而不肥

所以当发现自己的脚底颜色明显变黄,这很可能是由于肝病而引起的黄疸

求安卓导航接线定义

尜尜自助串吧烧烤炉室内无烟商用木炭自动旋转翻转下排烟烧烤神器

〈读取指令激活……loading……〉 〈参赛者·安迷修 基础资料读取