职中专业课职中机电(学习情景3(顺序控制电路))通用ppt

高清图片下载 免费 安全无风险
职中专业课职中机电(学习情景3(顺序控制电路))通用ppt

职中专业课职中机电(学习情景3(顺序控制电路))通用ppt

点击图片查看原图

图片信息

  • 格式: JPG
  • 尺寸: 1080x810
  • 大小: 约1.2MB

版权声明

相关标签

自然风光 高清壁纸 4K画质

分享图片

相关推荐

基于当前图片的相似推荐

电动机顺序启动控制电路 有粉丝朋友叫我讲讲电动机顺序启动控制电路!

三相电动机控制电路实现顺序控制电路图解 下图(a)所示为三相电动机

顺序启动逆序停止线路原理图!

控制电路实现顺序控制的电路图 - 2020年最新商品信息聚合专区 - 百度

电气原理图,两台电机的自动顺序启动 #电工

顺序开机逆序关机控制线路,就像开门自1一2,关门自2-1

三相异步电动机顺序控制2

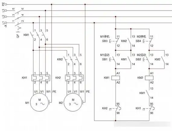
两台电动机按顺序启动分开停止的控制电路

图2-6 图2-7所示电路是采用时间继电器按时间原则顺序启动的控制线路

1 2011-11-08 这个电路能改成就用sb1和sb2按钮控制所有电

两台电动机按顺序启动逆序停止的电路图

随机推荐

发现更多精彩图片

《糖果简笔画教程》椭圆和"c"画美味的糖果96,小朋友们喜欢 - 抖音

素描石膏像海盗与小卫

李宇春被问认不认识周笔畅,无奈回答"这都不用问啦,对不对"_超女_问题

任丽萌担任2020世界华埠国际选美大赛理事长

658_494gif 动态图 动图

卡通桌子与绘画配件在白色

倒车镜总成左11右反光镜外壳明锐橙副驾右边5线电动调节镜片镜片加热

我家狗伯恩山大型犬1岁4个月了!今天上午拉的前半段不错之后是稀!